MTD-Motoren 6X65RHA 752Z6X65RHA (2018) Reglerhebel, Shortblock, Zylinderkopfdeckel Ersatzteile
Reglerhebel, Shortblock, Zylinderkopfdeckel 752Z6X65RHA (2018)

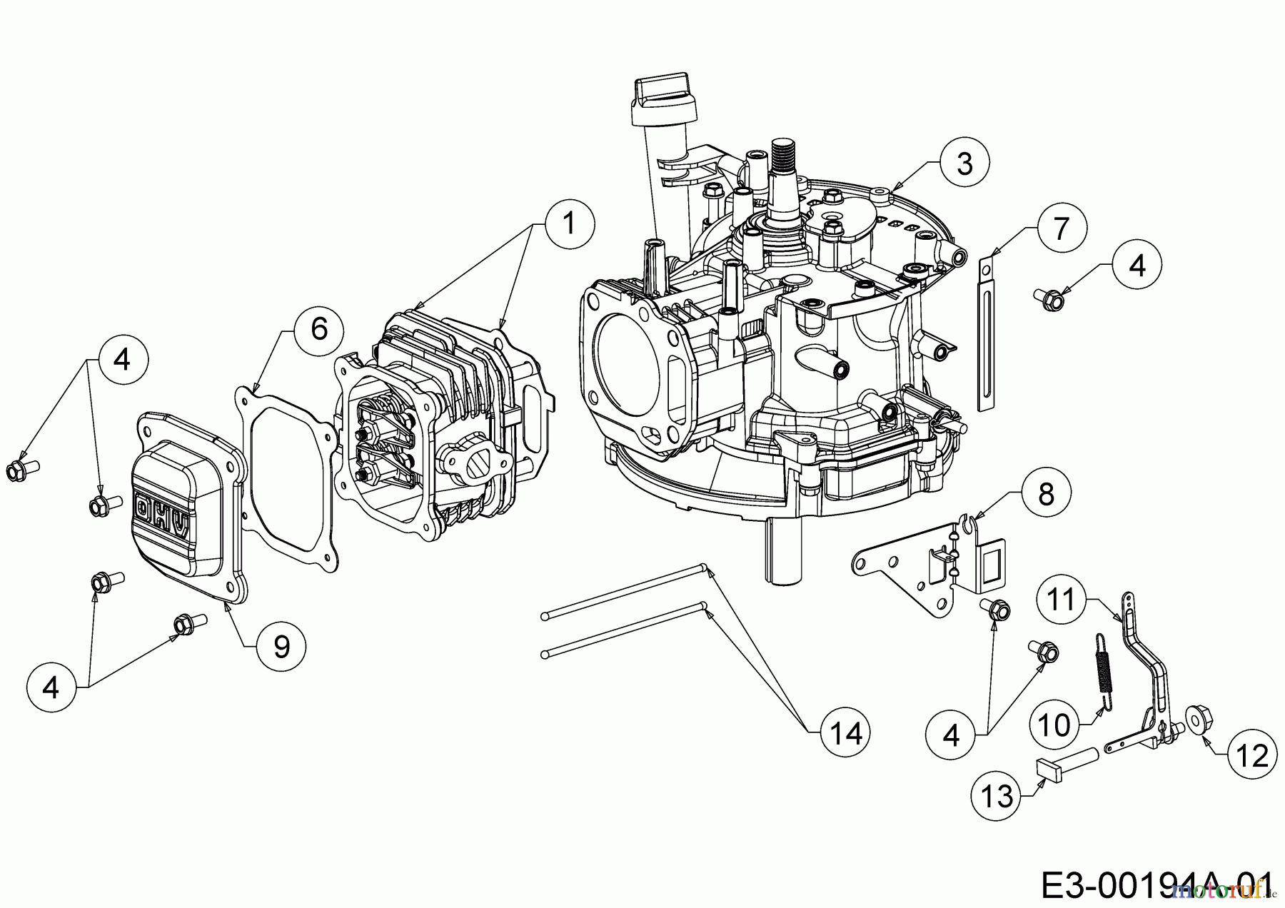
Hier finden Sie die Ersatzteilzeichnung für MTD-Motoren Vertikal 6X65RHA 752Z6X65RHA (2018) Reglerhebel, Shortblock, Zylinderkopfdeckel. Wählen Sie das benötigte Ersatzteil aus der Ersatzteilliste Ihres MTD-Motoren Gerätes aus und bestellen Sie einfach online. Viele MTD-Motoren Ersatzteile halten wir ständig in unserem Lager für Sie bereit.



