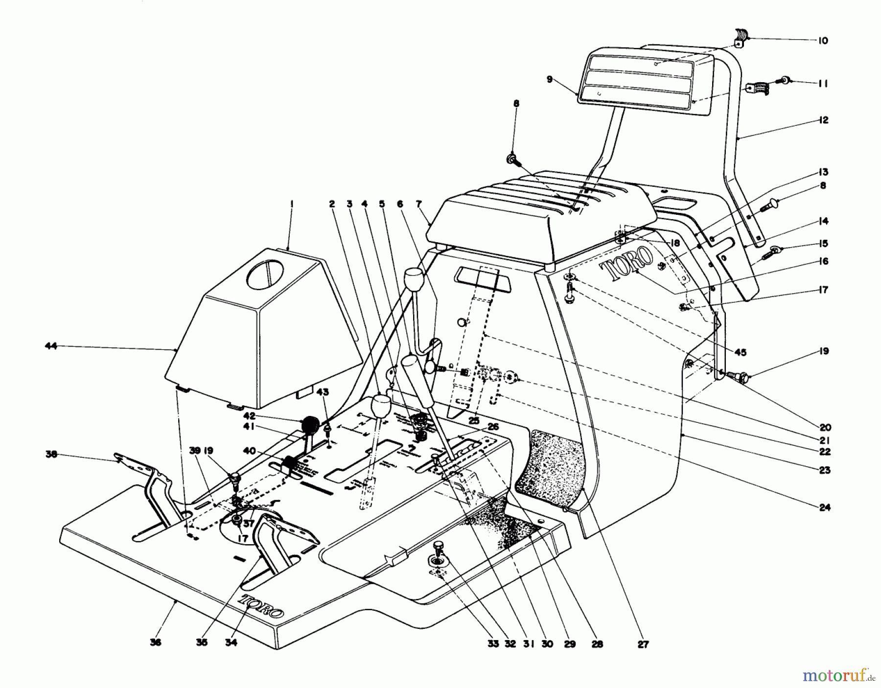
Toro 56033 - 25" Premium Rider Keylectric, 1975 (5000001-5999999) BODY AND SEAT ASSEMBLY Ersatzteile
BODY AND SEAT ASSEMBLY 56033 - Toro 25" Premium Rider Keylectric, 1975 (5000001-5999999)

Hier finden Sie die Ersatzteilzeichnung für Toro Neu Mowers, Rear-Engine Rider 56033 - Toro 25" Premium Rider Keylectric, 1975 (5000001-5999999) BODY AND SEAT ASSEMBLY. Wählen Sie das benötigte Ersatzteil aus der Ersatzteilliste Ihres Toro Gerätes aus und bestellen Sie einfach online. Viele Toro Ersatzteile halten wir ständig in unserem Lager für Sie bereit.


Qualitätsmanagement
Informieren Sie uns, wenn Sie einen Fehler gefunden haben.

