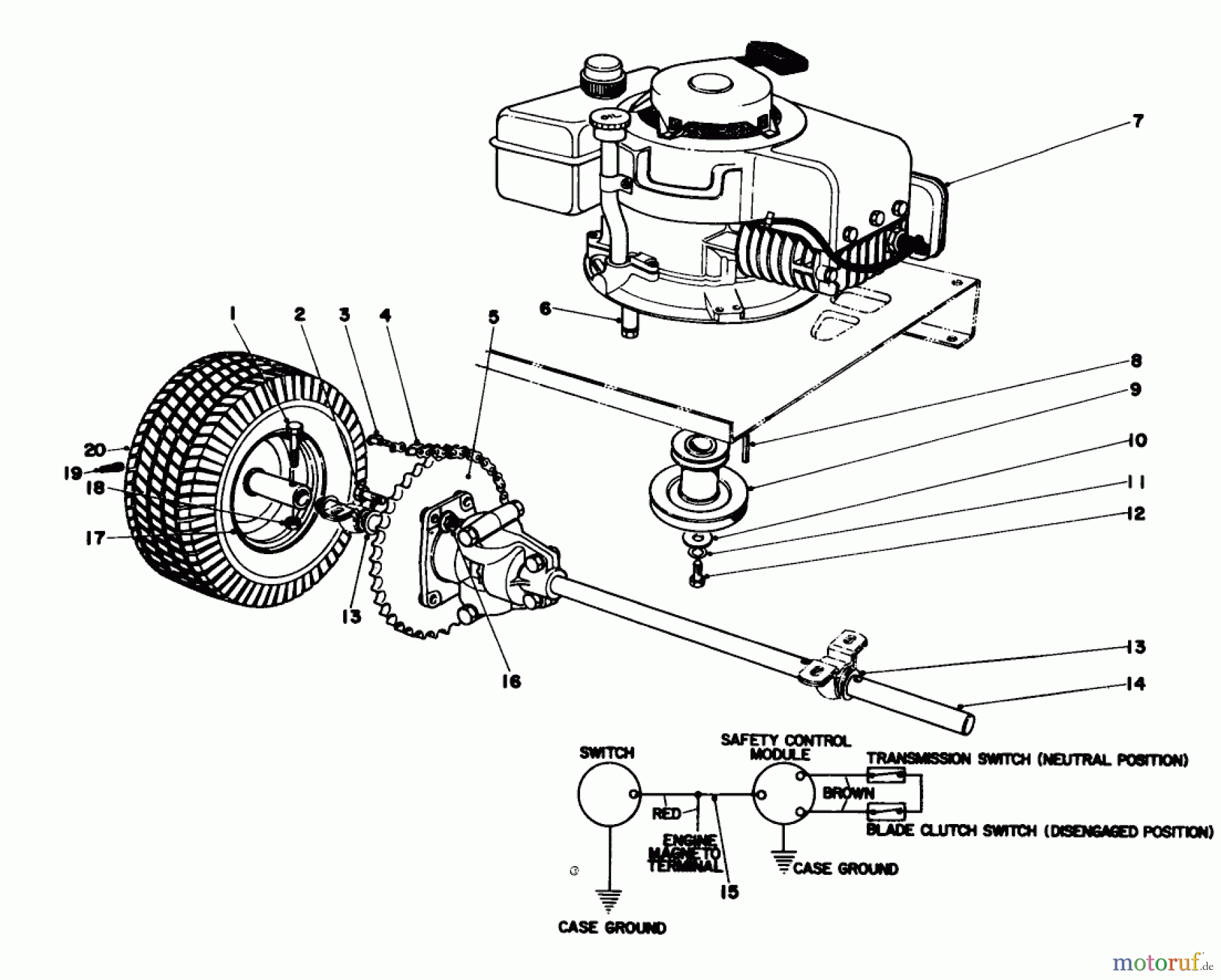
Toro 56022 - 25" Premium Rider, 1974 (4000001-4999999) ENGINE AND DIFFERENTIAL ASSEMBLY MODEL NO. 56022 Ersatzteile
ENGINE AND DIFFERENTIAL ASSEMBLY MODEL NO. 56022 56022 - Toro 25" Premium Rider, 1974 (4000001-4999999)

Hier finden Sie die Ersatzteilzeichnung für Toro Neu Mowers, Rear-Engine Rider 56022 - Toro 25" Premium Rider, 1974 (4000001-4999999) ENGINE AND DIFFERENTIAL ASSEMBLY MODEL NO. 56022. Wählen Sie das benötigte Ersatzteil aus der Ersatzteilliste Ihres Toro Gerätes aus und bestellen Sie einfach online. Viele Toro Ersatzteile halten wir ständig in unserem Lager für Sie bereit.


Qualitätsmanagement
Informieren Sie uns, wenn Sie einen Fehler gefunden haben.

