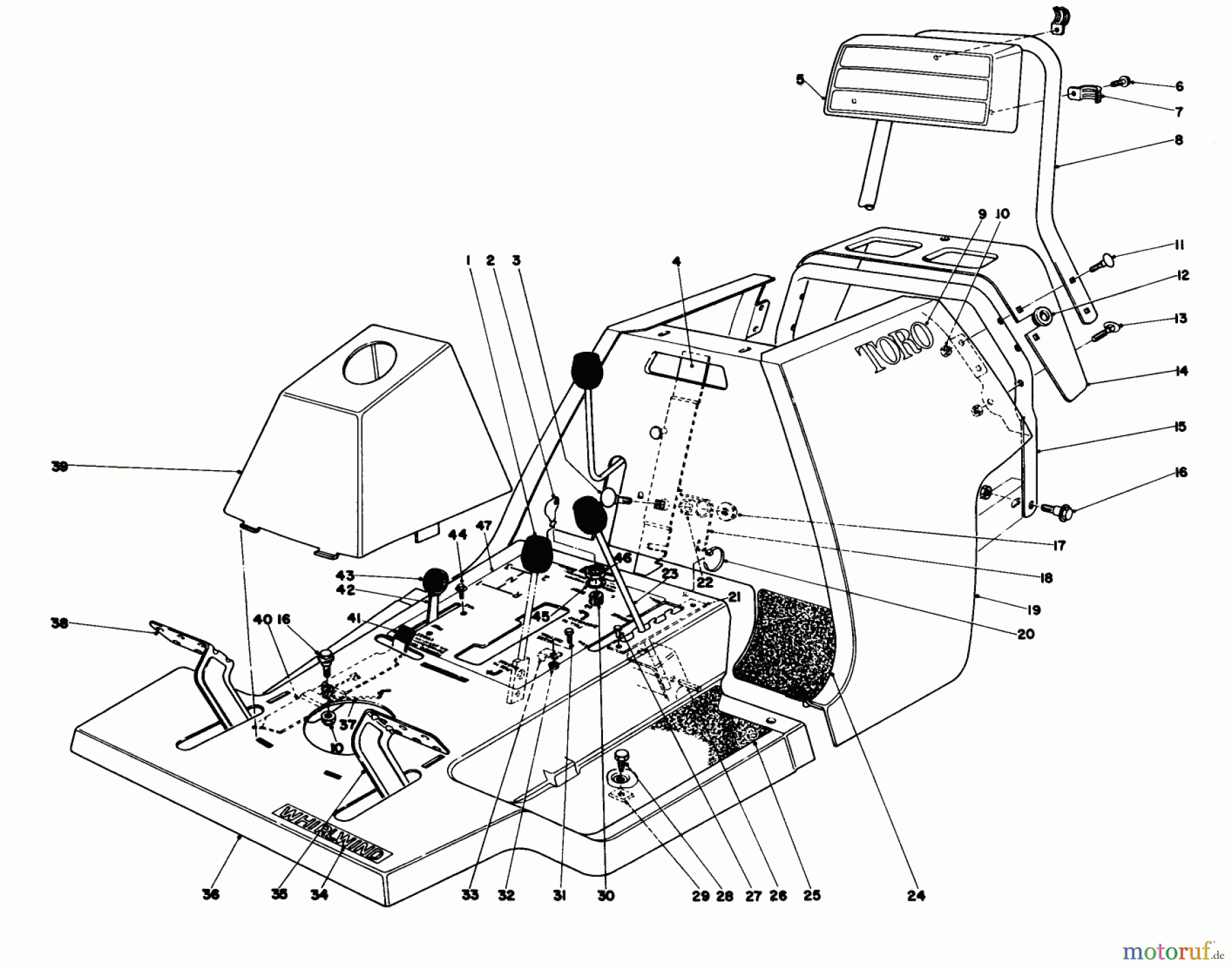
Toro 56006 - 25" Premium Rider, 1981 (1000001-1999999) BODY ASSEMBLY Ersatzteile
BODY ASSEMBLY 56006 - Toro 25" Premium Rider, 1981 (1000001-1999999)

Hier finden Sie die Ersatzteilzeichnung für Toro Neu Mowers, Rear-Engine Rider 56006 - Toro 25" Premium Rider, 1981 (1000001-1999999) BODY ASSEMBLY. Wählen Sie das benötigte Ersatzteil aus der Ersatzteilliste Ihres Toro Gerätes aus und bestellen Sie einfach online. Viele Toro Ersatzteile halten wir ständig in unserem Lager für Sie bereit.


Qualitätsmanagement
Informieren Sie uns, wenn Sie einen Fehler gefunden haben.

