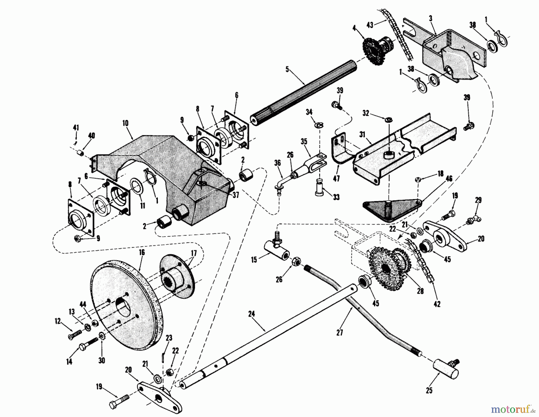
Toro 51070 - Big Red Riding Mower, 34" Side Discharge Mower, 1970 (SN 000001-099999) ENGAGING ASSEMBLY Ersatzteile
ENGAGING ASSEMBLY 51070 - Toro Big Red Riding Mower, 34" Side Discharge Mower, 1970 (SN 000001-099999)

Hier finden Sie die Ersatzteilzeichnung für Toro Neu Mowers, Rear-Engine Rider 51070 - Toro Big Red Riding Mower, 34" Side Discharge Mower, 1970 (SN 000001-099999) ENGAGING ASSEMBLY. Wählen Sie das benötigte Ersatzteil aus der Ersatzteilliste Ihres Toro Gerätes aus und bestellen Sie einfach online. Viele Toro Ersatzteile halten wir ständig in unserem Lager für Sie bereit.


Qualitätsmanagement
Informieren Sie uns, wenn Sie einen Fehler gefunden haben.


