Toro 33-08X303 (108-R) - 108-R Rear Engine Rider, 1986 ELECTRICAL SYSTEM-ELECTRIC START Ersatzteile
ELECTRICAL SYSTEM-ELECTRIC START 33-08X303 (108-R) - Toro 108-R Rear Engine Rider, 1986

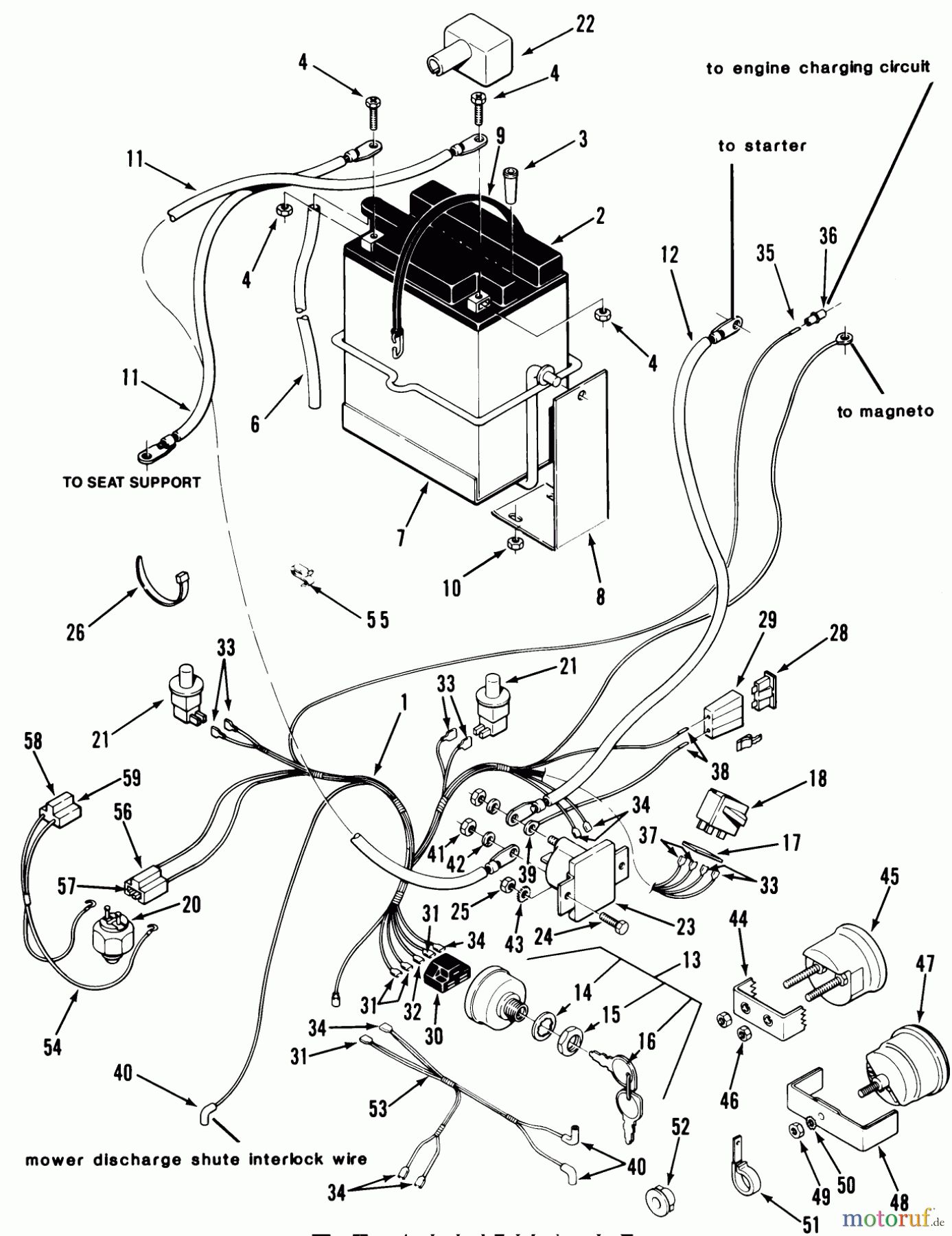
Hier finden Sie die Ersatzteilzeichnung für Toro Neu Mowers, Rear-Engine Rider 33-08X303 (108-R) - Toro 108-R Rear Engine Rider, 1986 ELECTRICAL SYSTEM-ELECTRIC START. Wählen Sie das benötigte Ersatzteil aus der Ersatzteilliste Ihres Toro Gerätes aus und bestellen Sie einfach online. Viele Toro Ersatzteile halten wir ständig in unserem Lager für Sie bereit.


Qualitätsmanagement
Informieren Sie uns, wenn Sie einen Fehler gefunden haben.

