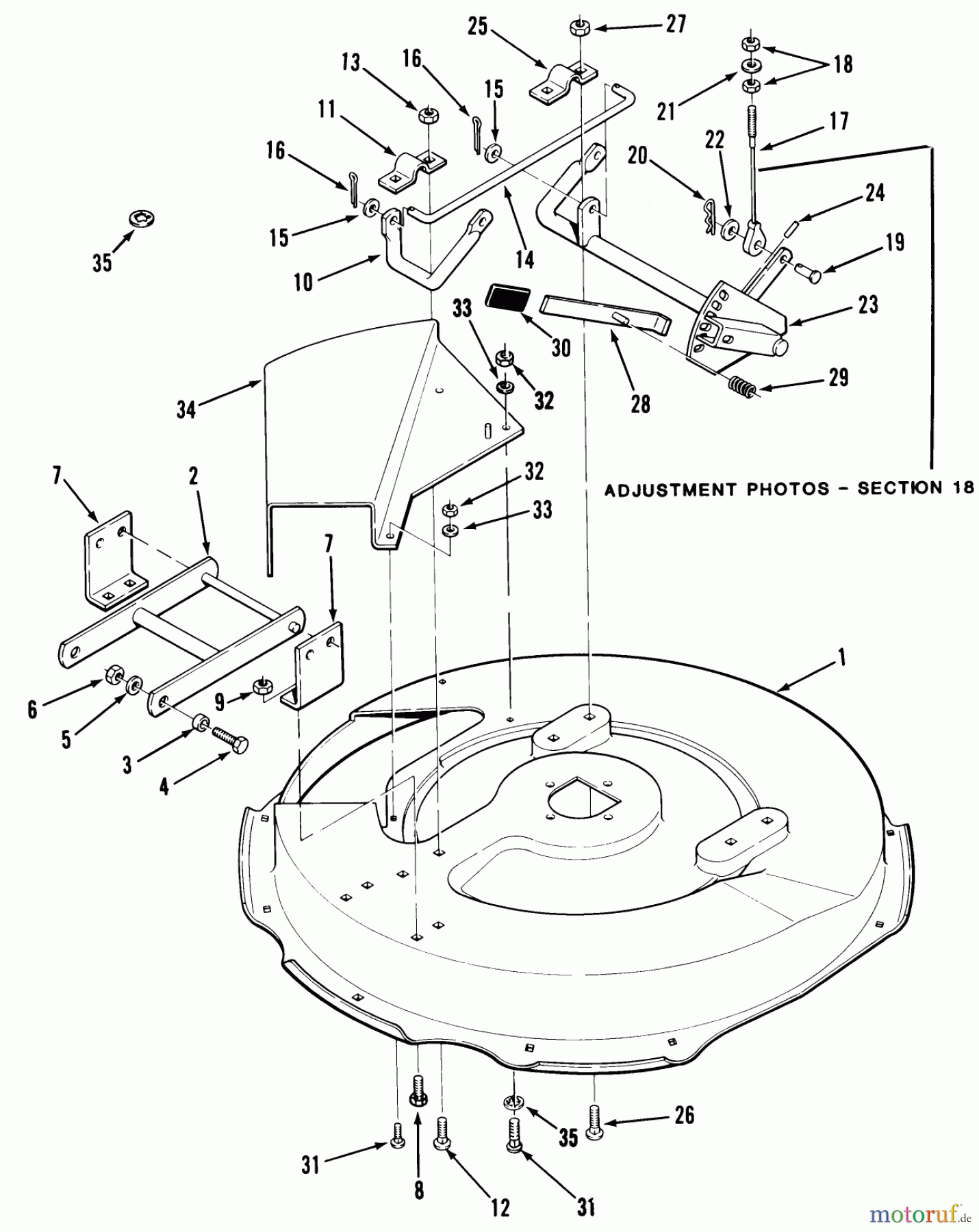
Toro 33-08X301 (108-R) - 108-R Rear Engine Rider, 1985 MOWER DECK AND FRONT MOUNT Ersatzteile
MOWER DECK AND FRONT MOUNT 33-08X301 (108-R) - Toro 108-R Rear Engine Rider, 1985

Hier finden Sie die Ersatzteilzeichnung für Toro Neu Mowers, Rear-Engine Rider 33-08X301 (108-R) - Toro 108-R Rear Engine Rider, 1985 MOWER DECK AND FRONT MOUNT. Wählen Sie das benötigte Ersatzteil aus der Ersatzteilliste Ihres Toro Gerätes aus und bestellen Sie einfach online. Viele Toro Ersatzteile halten wir ständig in unserem Lager für Sie bereit.


Qualitätsmanagement
Informieren Sie uns, wenn Sie einen Fehler gefunden haben.




