Toro 33-08BP01 (A-85) - A-85 5-Speed Rear Engine Rider, 1985 PTO CLUTCH, PULLEYS, AND CONTROLS Ersatzteile
PTO CLUTCH, PULLEYS, AND CONTROLS 33-08BP01 (A-85) - Toro A-85 5-Speed Rear Engine Rider, 1985

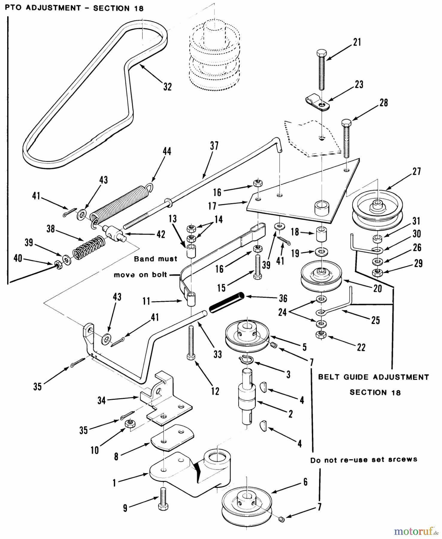
Hier finden Sie die Ersatzteilzeichnung für Toro Neu Mowers, Rear-Engine Rider 33-08BP01 (A-85) - Toro A-85 5-Speed Rear Engine Rider, 1985 PTO CLUTCH, PULLEYS, AND CONTROLS. Wählen Sie das benötigte Ersatzteil aus der Ersatzteilliste Ihres Toro Gerätes aus und bestellen Sie einfach online. Viele Toro Ersatzteile halten wir ständig in unserem Lager für Sie bereit.


Qualitätsmanagement
Informieren Sie uns, wenn Sie einen Fehler gefunden haben.



