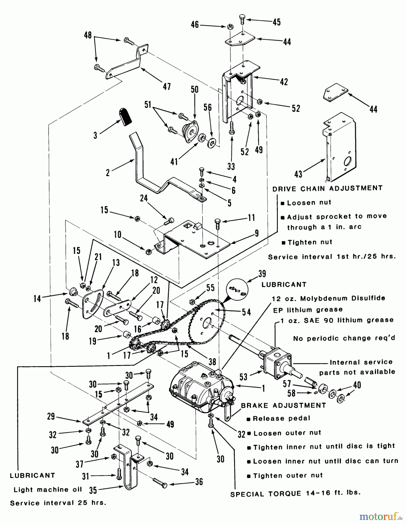
Toro 23-08BP02 (A-81) - A-81 5-Speed Rear Engine Rider, 1983 TRANSMISSION, DIFFERENTIAL AND DRIVE SYSTEM Ersatzteile
TRANSMISSION, DIFFERENTIAL AND DRIVE SYSTEM 23-08BP02 (A-81) - Toro A-81 5-Speed Rear Engine Rider, 1983

Hier finden Sie die Ersatzteilzeichnung für Toro Neu Mowers, Rear-Engine Rider 23-08BP02 (A-81) - Toro A-81 5-Speed Rear Engine Rider, 1983 TRANSMISSION, DIFFERENTIAL AND DRIVE SYSTEM. Wählen Sie das benötigte Ersatzteil aus der Ersatzteilliste Ihres Toro Gerätes aus und bestellen Sie einfach online. Viele Toro Ersatzteile halten wir ständig in unserem Lager für Sie bereit.


Qualitätsmanagement
Informieren Sie uns, wenn Sie einen Fehler gefunden haben.


