Toro 23-05BP01 (A-51) - A-51 5-Speed Rear Engine Rider, 1982 36 IN/92 CM SPINDLES - 11 HP RIDER Ersatzteile
36 IN/92 CM SPINDLES - 11 HP RIDER 23-05BP01 (A-51) - Toro A-51 5-Speed Rear Engine Rider, 1982

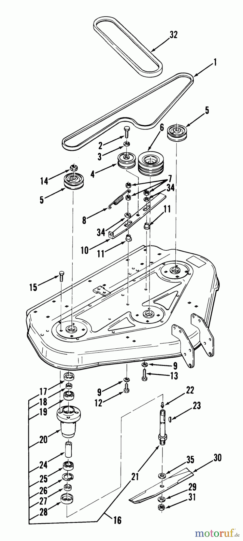
Hier finden Sie die Ersatzteilzeichnung für Toro Neu Mowers, Rear-Engine Rider 23-05BP01 (A-51) - Toro A-51 5-Speed Rear Engine Rider, 1982 36 IN/92 CM SPINDLES - 11 HP RIDER. Wählen Sie das benötigte Ersatzteil aus der Ersatzteilliste Ihres Toro Gerätes aus und bestellen Sie einfach online. Viele Toro Ersatzteile halten wir ständig in unserem Lager für Sie bereit.


Qualitätsmanagement
Informieren Sie uns, wenn Sie einen Fehler gefunden haben.


