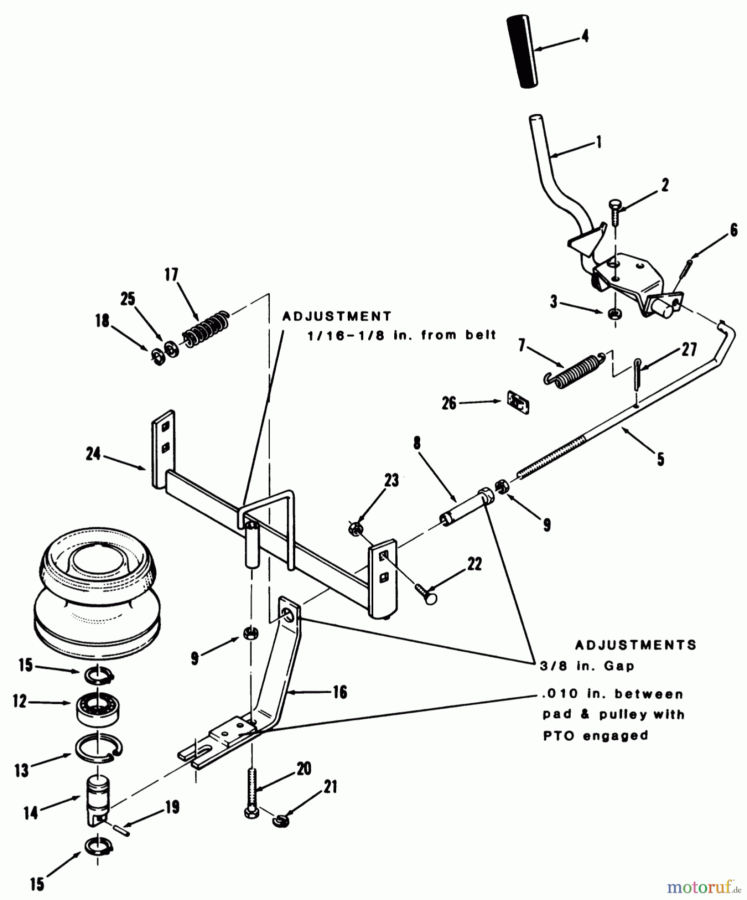
Toro R2-17K502 (227-5) - 227-5 Tractor, 1990 PTO CLUTCH Ersatzteile
PTO CLUTCH R2-17K502 (227-5) - Toro 227-5 Tractor, 1990

Hier finden Sie die Ersatzteilzeichnung für Toro Neu Mowers, Lawn & Garden Tractor Seite 2 R2-17K502 (227-5) - Toro 227-5 Tractor, 1990 PTO CLUTCH. Wählen Sie das benötigte Ersatzteil aus der Ersatzteilliste Ihres Toro Gerätes aus und bestellen Sie einfach online. Viele Toro Ersatzteile halten wir ständig in unserem Lager für Sie bereit.


Qualitätsmanagement
Informieren Sie uns, wenn Sie einen Fehler gefunden haben.

