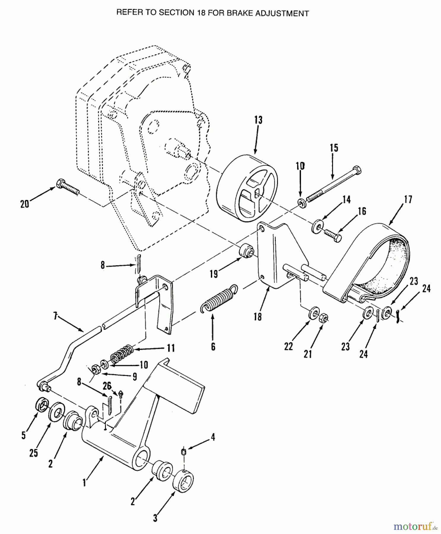
Toro E1-18OE01 (518-HE) - 518-HE Automatic Garden Tractor, 1988 CLUTCH, BRAKE & SPEED CONTROL LINKAGE #2 Ersatzteile
CLUTCH, BRAKE & SPEED CONTROL LINKAGE #2 E1-18OE01 (518-HE) - Toro 518-HE Automatic Garden Tractor, 1988

Hier finden Sie die Ersatzteilzeichnung für Toro Neu Mowers, Lawn & Garden Tractor Seite 2 E1-18OE01 (518-HE) - Toro 518-HE Automatic Garden Tractor, 1988 CLUTCH, BRAKE & SPEED CONTROL LINKAGE #2. Wählen Sie das benötigte Ersatzteil aus der Ersatzteilliste Ihres Toro Gerätes aus und bestellen Sie einfach online. Viele Toro Ersatzteile halten wir ständig in unserem Lager für Sie bereit.


Qualitätsmanagement
Informieren Sie uns, wenn Sie einen Fehler gefunden haben.



