Toro E1-12K802 (312-8) - 312-8 Garden Tractor, 1989 MECHANICAL TRANSMISSION-8-SPEED #2 Ersatzteile
MECHANICAL TRANSMISSION-8-SPEED #2 E1-12K802 (312-8) - Toro 312-8 Garden Tractor, 1989

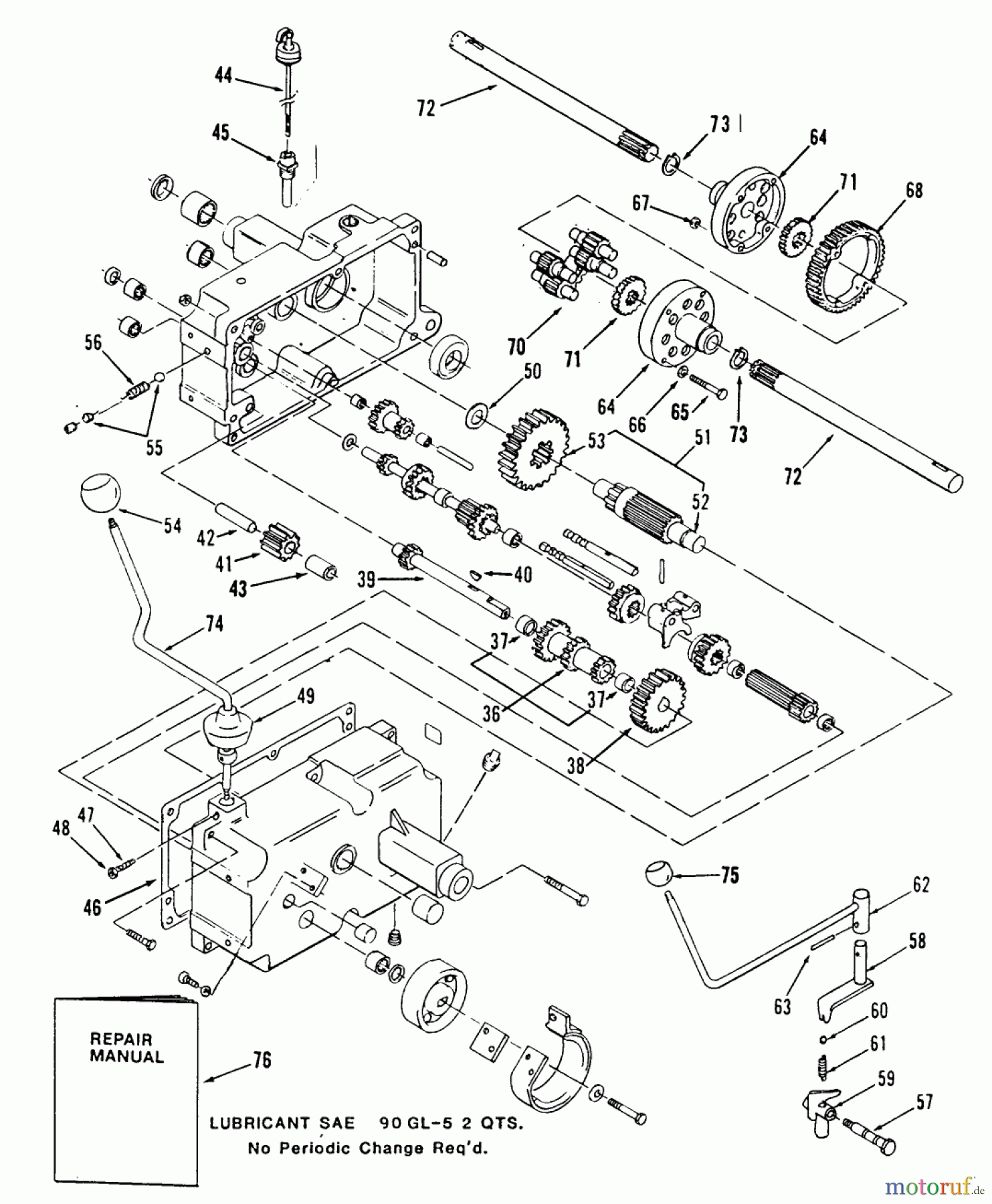
Hier finden Sie die Ersatzteilzeichnung für Toro Neu Mowers, Lawn & Garden Tractor Seite 2 E1-12K802 (312-8) - Toro 312-8 Garden Tractor, 1989 MECHANICAL TRANSMISSION-8-SPEED #2. Wählen Sie das benötigte Ersatzteil aus der Ersatzteilliste Ihres Toro Gerätes aus und bestellen Sie einfach online. Viele Toro Ersatzteile halten wir ständig in unserem Lager für Sie bereit.



