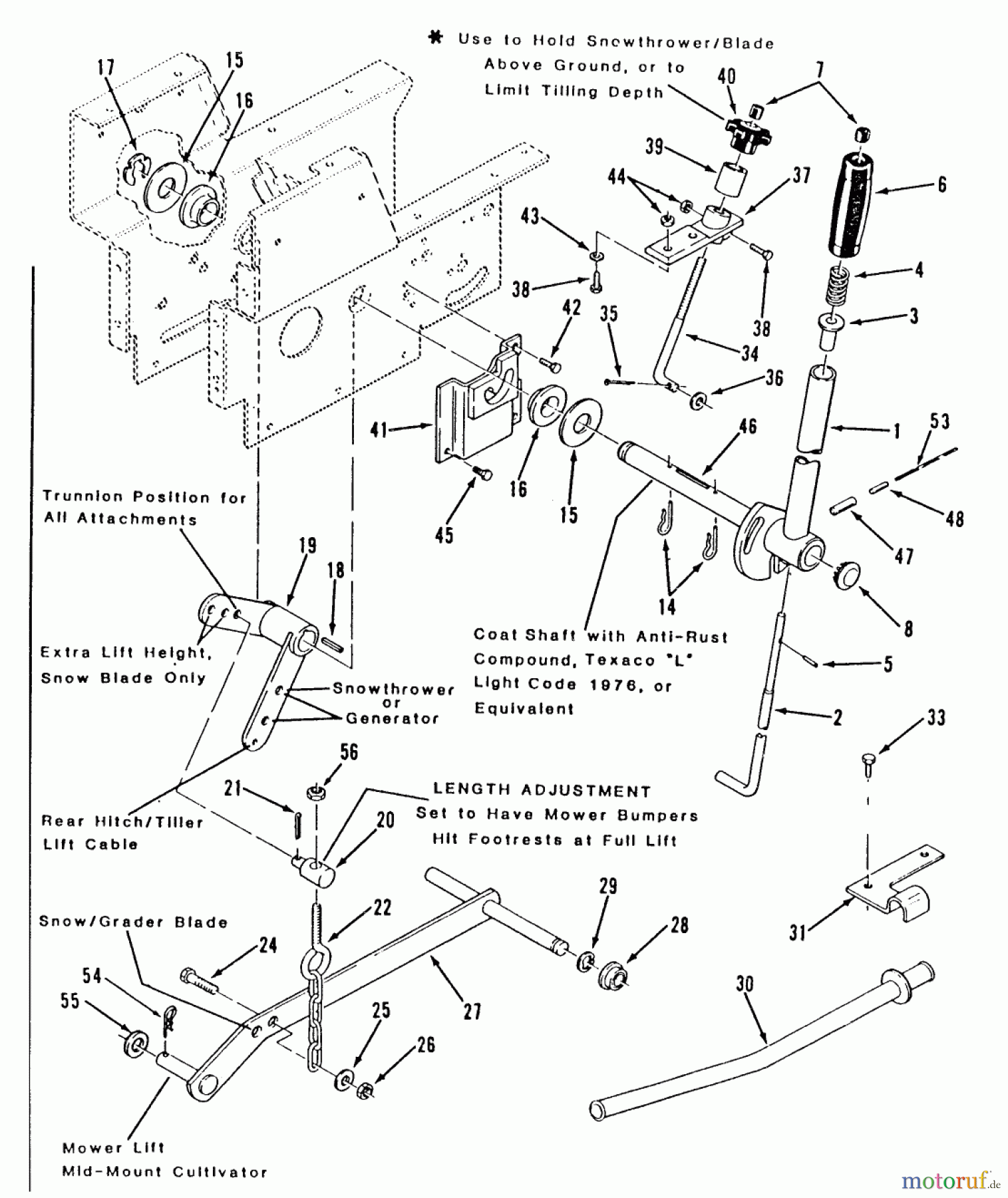
Toro B1-12R801 (512-D) - 512-D 8-Speed Tractor, 1986 MANUAL LIFT LINKAGE Ersatzteile
MANUAL LIFT LINKAGE B1-12R801 (512-D) - Toro 512-D 8-Speed Tractor, 1986

Hier finden Sie die Ersatzteilzeichnung für Toro Neu Mowers, Lawn & Garden Tractor Seite 2 B1-12R801 (512-D) - Toro 512-D 8-Speed Tractor, 1986 MANUAL LIFT LINKAGE. Wählen Sie das benötigte Ersatzteil aus der Ersatzteilliste Ihres Toro Gerätes aus und bestellen Sie einfach online. Viele Toro Ersatzteile halten wir ständig in unserem Lager für Sie bereit.



