Toro 81-20KS01 (D-200) - D-200 Automatic Tractor, 1978 ENGINES AND MOUNTING HARDWARE Ersatzteile
ENGINES AND MOUNTING HARDWARE 81-20KS01 (D-200) - Toro D-200 Automatic Tractor, 1978

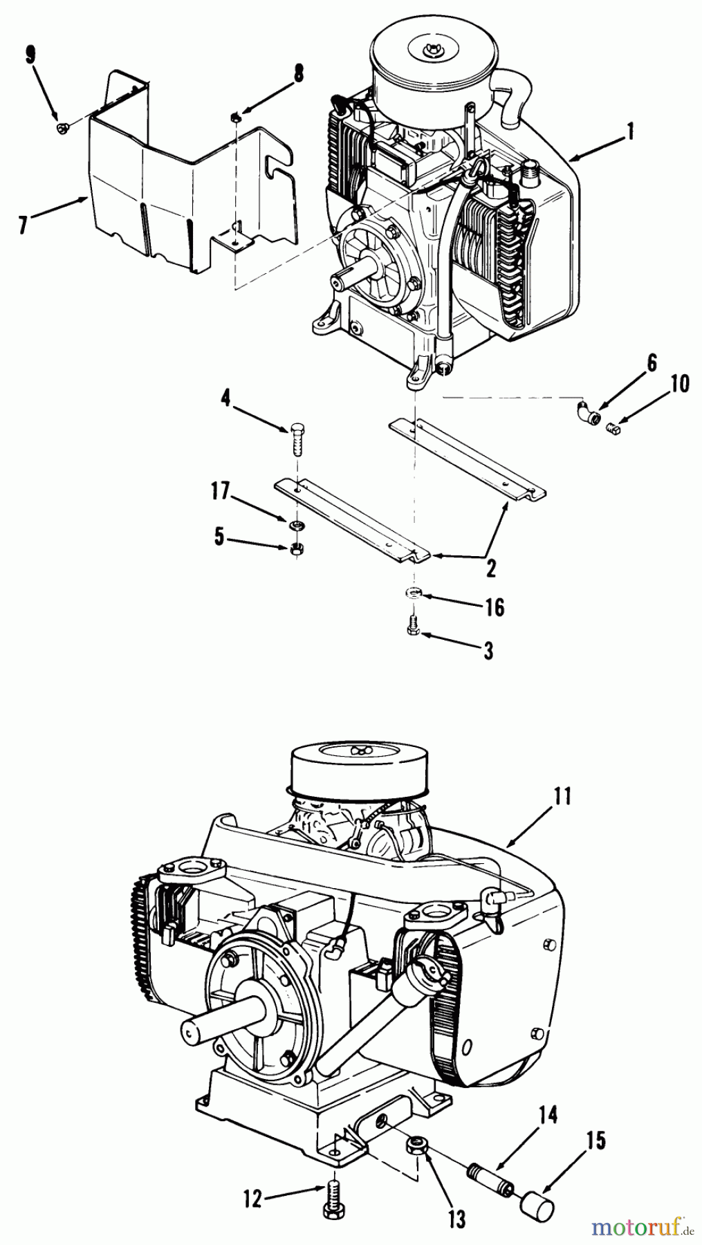
Hier finden Sie die Ersatzteilzeichnung für Toro Neu Mowers, Lawn & Garden Tractor Seite 2 81-20KS01 (D-200) - Toro D-200 Automatic Tractor, 1978 ENGINES AND MOUNTING HARDWARE. Wählen Sie das benötigte Ersatzteil aus der Ersatzteilliste Ihres Toro Gerätes aus und bestellen Sie einfach online. Viele Toro Ersatzteile halten wir ständig in unserem Lager für Sie bereit.
| BildNr | Artikel Nummer | Bezeichnung | |
| 1 | TR104990 | ||
| 2 | TR105023 | DISCONTINUED | |
| 3 | TR323-7 | Schraube | |
| 4 | TR325-4 | SCREW-HH | |
| 5 | TR3296-23 | Mutter | |
| 6 | TR943084 | DISCONTINUED | |
| 7 | TR105024 | DISCONTINUED | |
| 8 | TR3217-6 | NUT-HEX | |
| 9 | TR938018 | DISCONTINUED | |
| 10 | TR94-3021 | SCHALTARM | |
| 16 | TR3253-21 | Federring | |
| 17 | TR192008 | ||
| 12 | TR325-6 | Schraube | |
| 13 | TR915665 | 3296-23 | |
| 14 | TR94-3355 | DECAL - DIAGN. 6500 (DUT) | |
| 15 | TR103162 | DISCONTINUED | |


Qualitätsmanagement
Informieren Sie uns, wenn Sie einen Fehler gefunden haben.

