Toro 74596 (DH 220) - DH 220 Lawn Tractor, 2012 (SN 312000001-312999999) BRAKE ASSEMBLY TRANSMISSION ASSEMBLY NO. 114-3155 Ersatzteile
BRAKE ASSEMBLY TRANSMISSION ASSEMBLY NO. 114-3155 74596 (DH 220) - Toro DH 220 Lawn Tractor, 2012 (SN 312000001-312999999)

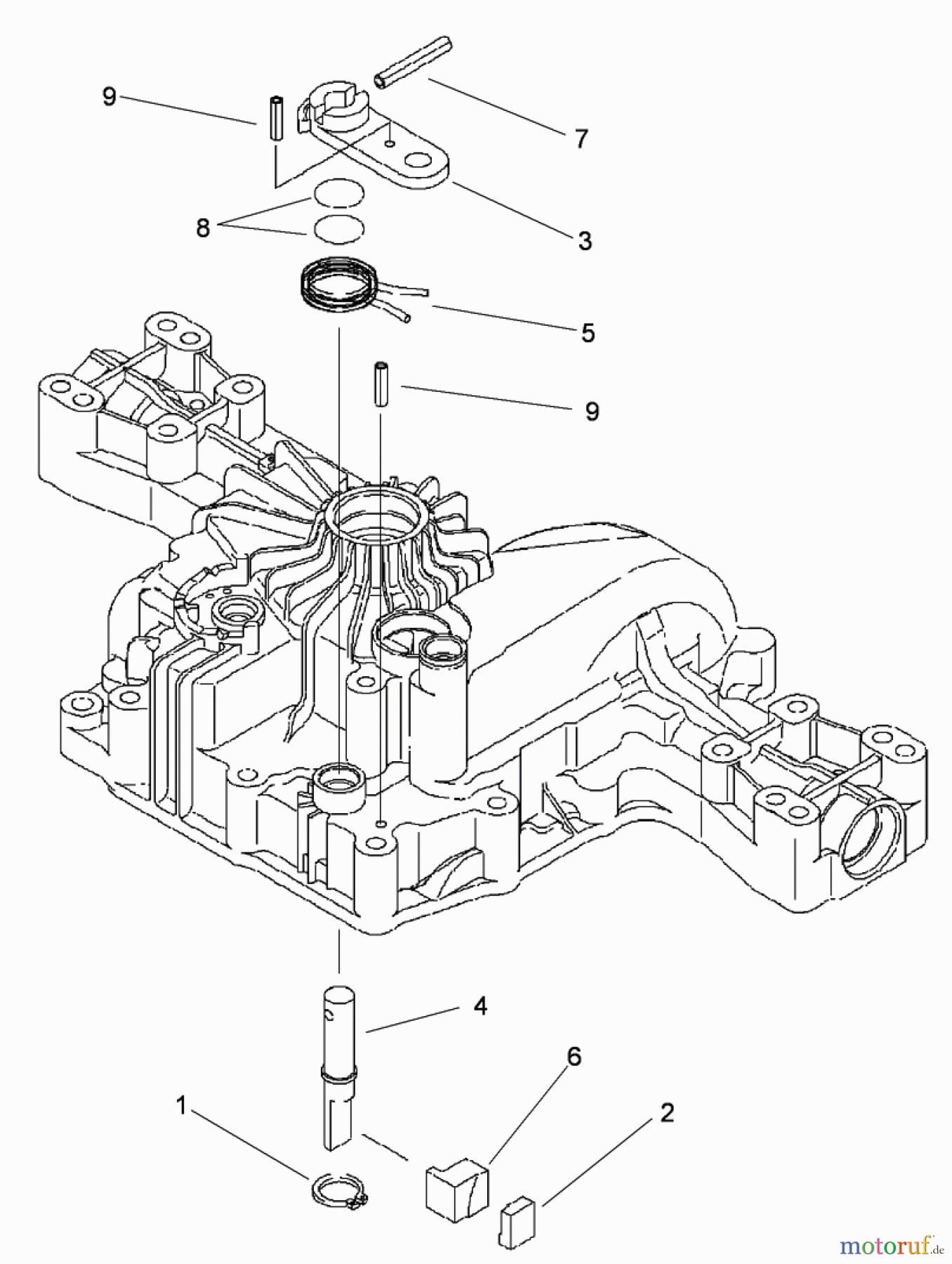
Hier finden Sie die Ersatzteilzeichnung für Toro Neu Mowers, Lawn & Garden Tractor Seite 1 74596 (DH 220) - Toro DH 220 Lawn Tractor, 2012 (SN 312000001-312999999) BRAKE ASSEMBLY TRANSMISSION ASSEMBLY NO. 114-3155. Wählen Sie das benötigte Ersatzteil aus der Ersatzteilliste Ihres Toro Gerätes aus und bestellen Sie einfach online. Viele Toro Ersatzteile halten wir ständig in unserem Lager für Sie bereit.
| BildNr | Artikel Nummer | Bezeichnung | |
| 1 | TR104-3313 | Seegerring | |
| 2 | TR104-3314 | SHOE-BRAKE | |
| 3 | TR104-3315 | Bremsarm | |
| 4 | TR104-3316 | Bremswelle | |
| 5 | TR104-3317 | SPRING-RETURN, BRAKE | |
| 6 | TR104-3318 | Bremsnocken | |
| 7 | TR92-0767 | SPANNSTIFT | |
| 8 | TR93-0418 | O-RING | |
| 9 | TR104-3319 | Spannstift | |



