Toro 74593 (DH 220) - DH 220 Lawn Tractor, 2009 (290000001-290999999) ENGINE ASSEMBLY Ersatzteile
ENGINE ASSEMBLY 74593 (DH 220) - Toro DH 220 Lawn Tractor, 2009 (290000001-290999999)

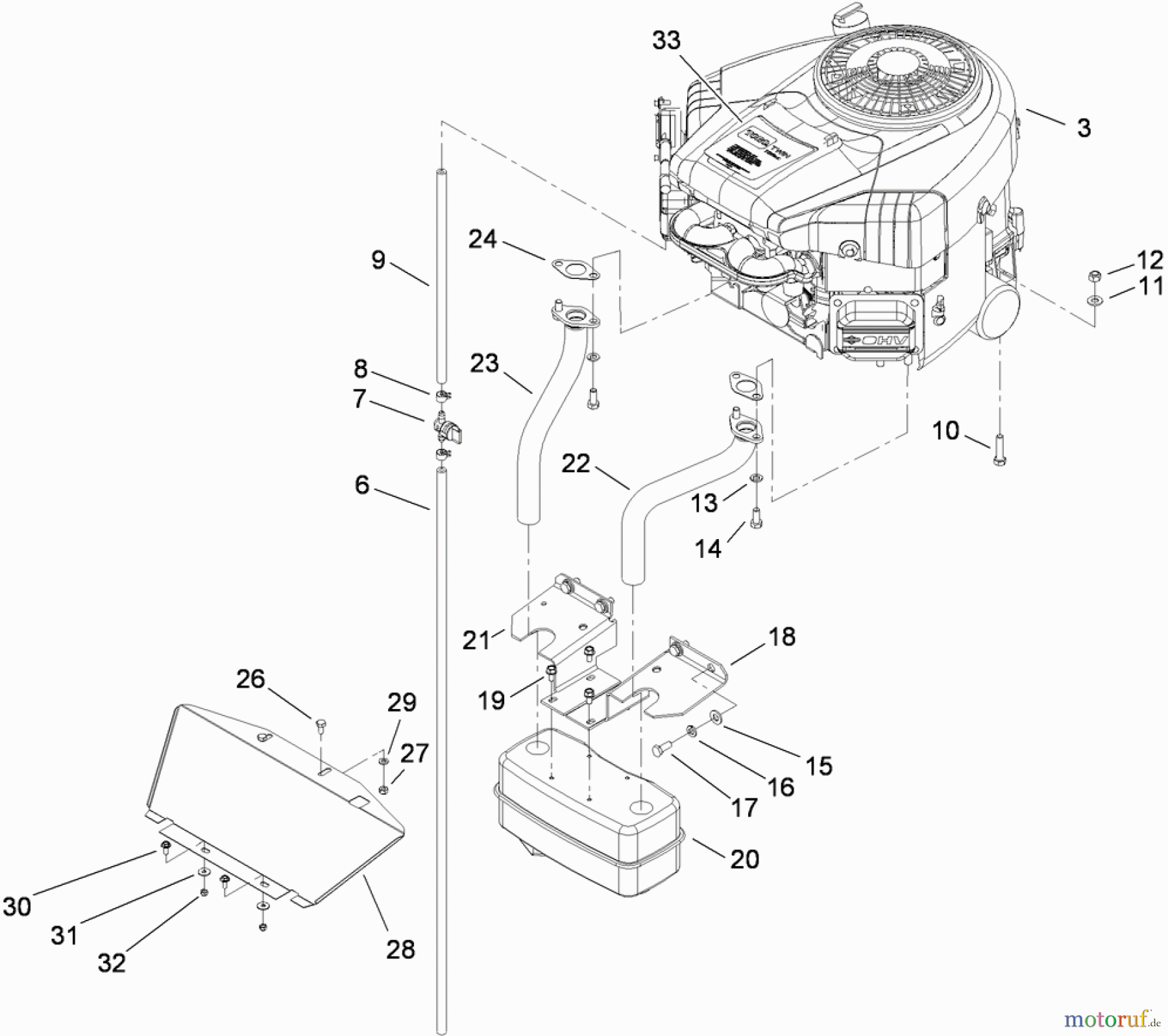
Hier finden Sie die Ersatzteilzeichnung für Toro Neu Mowers, Lawn & Garden Tractor Seite 1 74593 (DH 220) - Toro DH 220 Lawn Tractor, 2009 (290000001-290999999) ENGINE ASSEMBLY. Wählen Sie das benötigte Ersatzteil aus der Ersatzteilliste Ihres Toro Gerätes aus und bestellen Sie einfach online. Viele Toro Ersatzteile halten wir ständig in unserem Lager für Sie bereit.


Qualitätsmanagement
Informieren Sie uns, wenn Sie einen Fehler gefunden haben.

