Toro 74592 (DH 220) - DH 220 Lawn Tractor, 2008 (280000529-280999999) CONTROL SHAFT ASSEMBLY TRANSMISSION ASSEMBLY NO. 114-3155 Ersatzteile
CONTROL SHAFT ASSEMBLY TRANSMISSION ASSEMBLY NO. 114-3155 74592 (DH 220) - Toro DH 220 Lawn Tractor, 2008 (280000529-280999999)

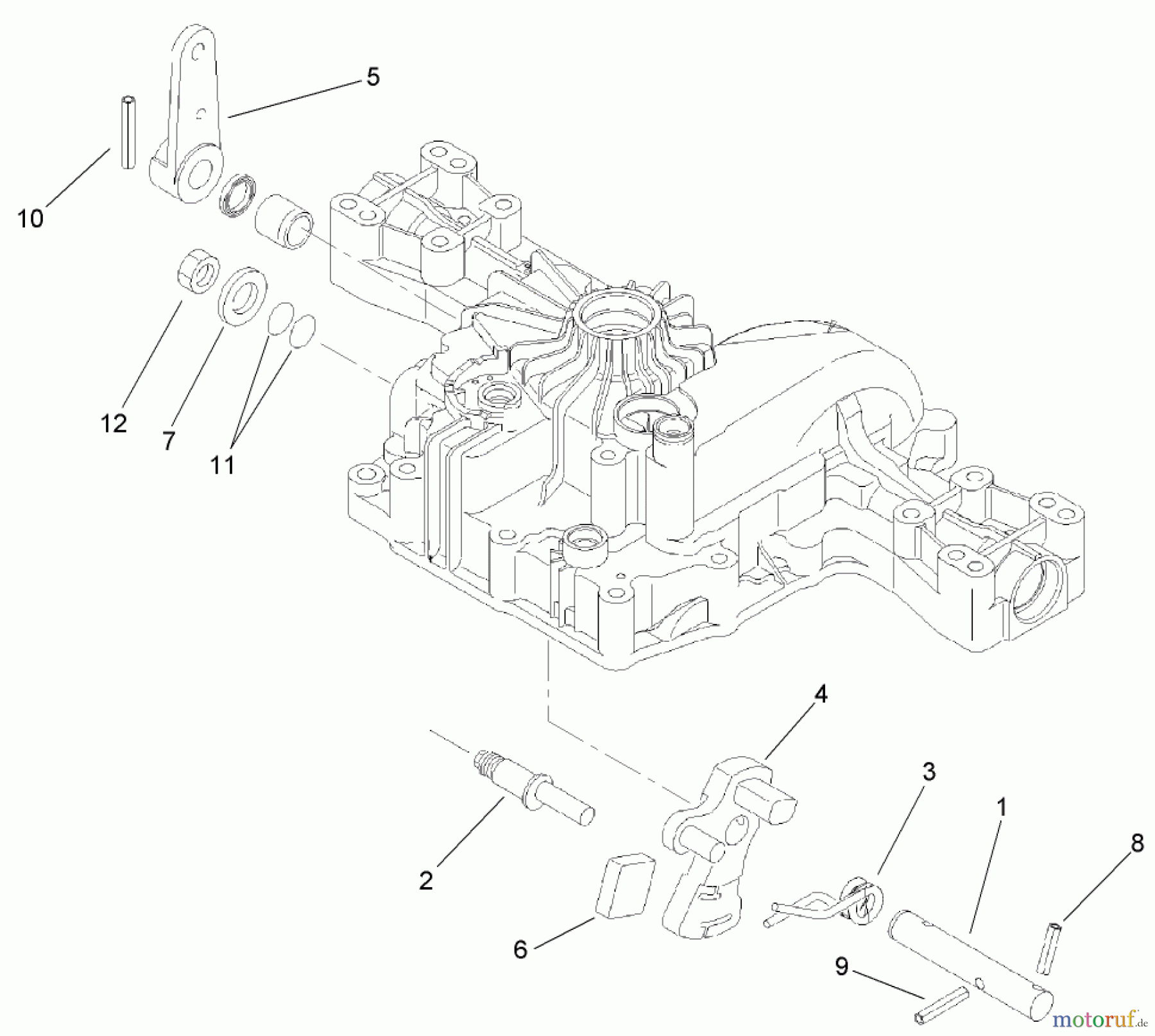
Hier finden Sie die Ersatzteilzeichnung für Toro Neu Mowers, Lawn & Garden Tractor Seite 1 74592 (DH 220) - Toro DH 220 Lawn Tractor, 2008 (280000529-280999999) CONTROL SHAFT ASSEMBLY TRANSMISSION ASSEMBLY NO. 114-3155. Wählen Sie das benötigte Ersatzteil aus der Ersatzteilliste Ihres Toro Gerätes aus und bestellen Sie einfach online. Viele Toro Ersatzteile halten wir ständig in unserem Lager für Sie bereit.
| BildNr | Artikel Nummer | Bezeichnung | |
| 1 | TR114-3181 | SHAFT-CONTROL | |
| 2 | TR104-3292 | Bolzen | |
| 3 | TR114-3217 | SPRING-TORSION | |
| 4 | TR114-3180 | ARM-CONTROL | |
| 5 | TR104-3342 | ARM-TRANSAXLE | |
| 6 | TR104-3296 | PLATTE | |
| 7 | TR93-0417 | SCHEIBE | |
| 8 | TR114-3182 | ||
| 9 | TR104-3297 | Spannstift | |
| 10 | TR93-0411 | PIN-ROLL | |
| 11 | TR93-0475 | O-RING | |
| 12 | TR93-0420 | Mutter | |



