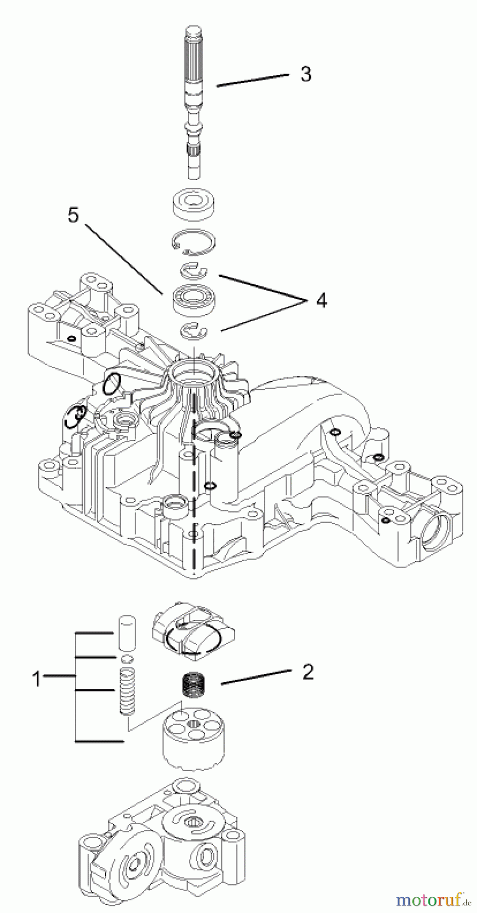
Toro 74590 (190-DH) - 190-DH Lawn Tractor, 2004 (240000001-240999999) PUMP SHAFT ASSEMBLY TRANSMISSION ASSEMBLY NO. 104-2889 Ersatzteile
PUMP SHAFT ASSEMBLY TRANSMISSION ASSEMBLY NO. 104-2889 74590 (190-DH) - Toro 190-DH Lawn Tractor, 2004 (240000001-240999999)

Hier finden Sie die Ersatzteilzeichnung für Toro Neu Mowers, Lawn & Garden Tractor Seite 1 74590 (190-DH) - Toro 190-DH Lawn Tractor, 2004 (240000001-240999999) PUMP SHAFT ASSEMBLY TRANSMISSION ASSEMBLY NO. 104-2889. Wählen Sie das benötigte Ersatzteil aus der Ersatzteilliste Ihres Toro Gerätes aus und bestellen Sie einfach online. Viele Toro Ersatzteile halten wir ständig in unserem Lager für Sie bereit.
| BildNr | Artikel Nummer | Bezeichnung | |
| 1 | TR104-3276 | BLOCK-CYLINDER | |
| 2 | TR104-3277 | DRUCKFEDER | |
| 3 | TR104-3278 | SHAFT-PUMP | |
| 4 | TR93-0387 | E-RING | |
| 5 | TR93-0374 | KUGELLAGER | |


Qualitätsmanagement
Informieren Sie uns, wenn Sie einen Fehler gefunden haben.

