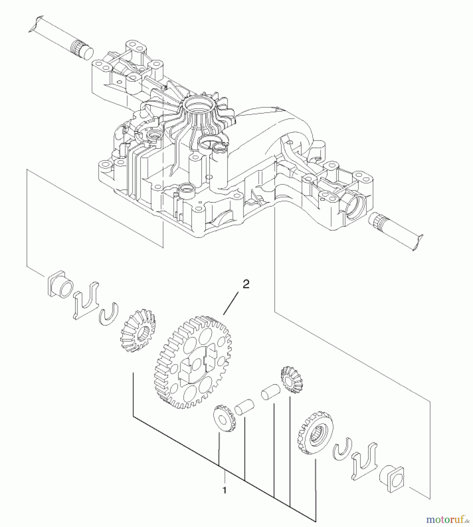
Toro 74590 (190-DH) - 190-DH Lawn Tractor, 2002 (220000001-220999999) DIFFERENTIAL GEAR ASSEMBLY Ersatzteile
DIFFERENTIAL GEAR ASSEMBLY 74590 (190-DH) - Toro 190-DH Lawn Tractor, 2002 (220000001-220999999)

Hier finden Sie die Ersatzteilzeichnung für Toro Neu Mowers, Lawn & Garden Tractor Seite 1 74590 (190-DH) - Toro 190-DH Lawn Tractor, 2002 (220000001-220999999) DIFFERENTIAL GEAR ASSEMBLY. Wählen Sie das benötigte Ersatzteil aus der Ersatzteilliste Ihres Toro Gerätes aus und bestellen Sie einfach online. Viele Toro Ersatzteile halten wir ständig in unserem Lager für Sie bereit.
| BildNr | Artikel Nummer | Bezeichnung | |
| 1 | TR104-3299 | DIFFERENTIAL GEAR KIT | |
| 2 | TR104-3301 | Zahnrad | |


Qualitätsmanagement
Informieren Sie uns, wenn Sie einen Fehler gefunden haben.

