Toro 74590 (190-DH) - 190-DH Lawn Tractor, 2002 (220000001-220999999) AXLE SHAFT ASSEMBLY Ersatzteile
AXLE SHAFT ASSEMBLY 74590 (190-DH) - Toro 190-DH Lawn Tractor, 2002 (220000001-220999999)

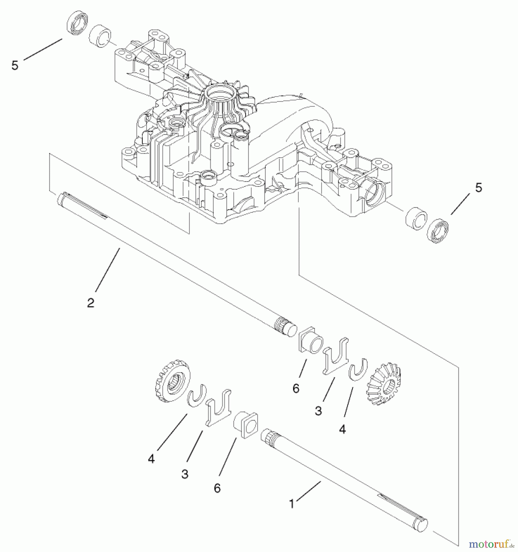
Hier finden Sie die Ersatzteilzeichnung für Toro Neu Mowers, Lawn & Garden Tractor Seite 1 74590 (190-DH) - Toro 190-DH Lawn Tractor, 2002 (220000001-220999999) AXLE SHAFT ASSEMBLY. Wählen Sie das benötigte Ersatzteil aus der Ersatzteilliste Ihres Toro Gerätes aus und bestellen Sie einfach online. Viele Toro Ersatzteile halten wir ständig in unserem Lager für Sie bereit.
| BildNr | Artikel Nummer | Bezeichnung | |
| 1 | TR104-3307 | Steckachse Rechts | |
| 2 | TR104-3308 | Steckachse Links | |
| 3 | TR104-3309 | WASHER-THRUST | |
| 4 | TR104-3310 | Sicherungsring | |
| 5 | TR104-3311 | Simmerring | |
| 6 | TR104-3312 | BUSHING | |


Qualitätsmanagement
Informieren Sie uns, wenn Sie einen Fehler gefunden haben.

