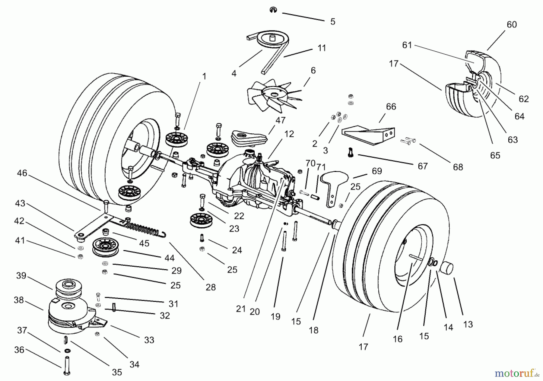
Toro 74590 (190-DH) - 190-DH Lawn Tractor, 2000 (200000001-200999999) TRANSMISSION DRIVE ASSEMBLY Ersatzteile
TRANSMISSION DRIVE ASSEMBLY 74590 (190-DH) - Toro 190-DH Lawn Tractor, 2000 (200000001-200999999)

Hier finden Sie die Ersatzteilzeichnung für Toro Neu Mowers, Lawn & Garden Tractor Seite 1 74590 (190-DH) - Toro 190-DH Lawn Tractor, 2000 (200000001-200999999) TRANSMISSION DRIVE ASSEMBLY. Wählen Sie das benötigte Ersatzteil aus der Ersatzteilliste Ihres Toro Gerätes aus und bestellen Sie einfach online. Viele Toro Ersatzteile halten wir ständig in unserem Lager für Sie bereit.





