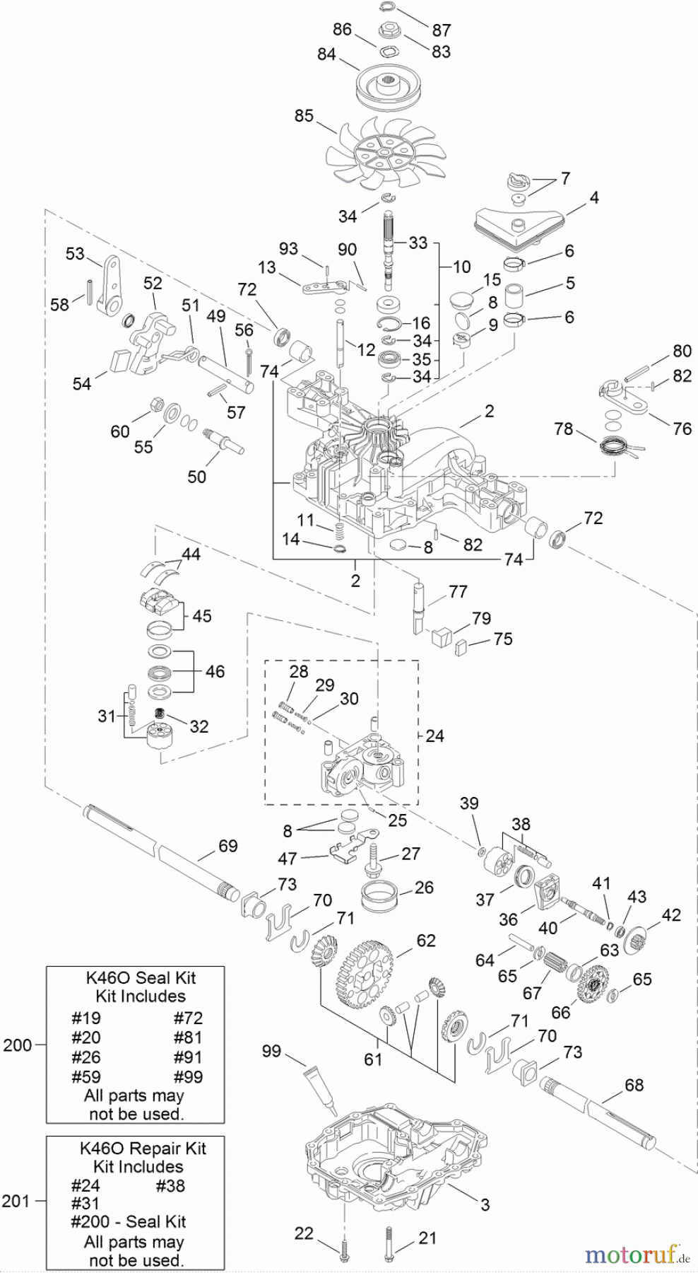
Toro 74582 (DH 210) - DH 210 Lawn Tractor, 2011 (311000001-311999999) TRANSAXLE ASSEMBLY NO. 121-0900 Ersatzteile
TRANSAXLE ASSEMBLY NO. 121-0900 74582 (DH 210) - Toro DH 210 Lawn Tractor, 2011 (311000001-311999999)

Hier finden Sie die Ersatzteilzeichnung für Toro Neu Mowers, Lawn & Garden Tractor Seite 1 74582 (DH 210) - Toro DH 210 Lawn Tractor, 2011 (311000001-311999999) TRANSAXLE ASSEMBLY NO. 121-0900. Wählen Sie das benötigte Ersatzteil aus der Ersatzteilliste Ihres Toro Gerätes aus und bestellen Sie einfach online. Viele Toro Ersatzteile halten wir ständig in unserem Lager für Sie bereit.


Qualitätsmanagement
Informieren Sie uns, wenn Sie einen Fehler gefunden haben.

