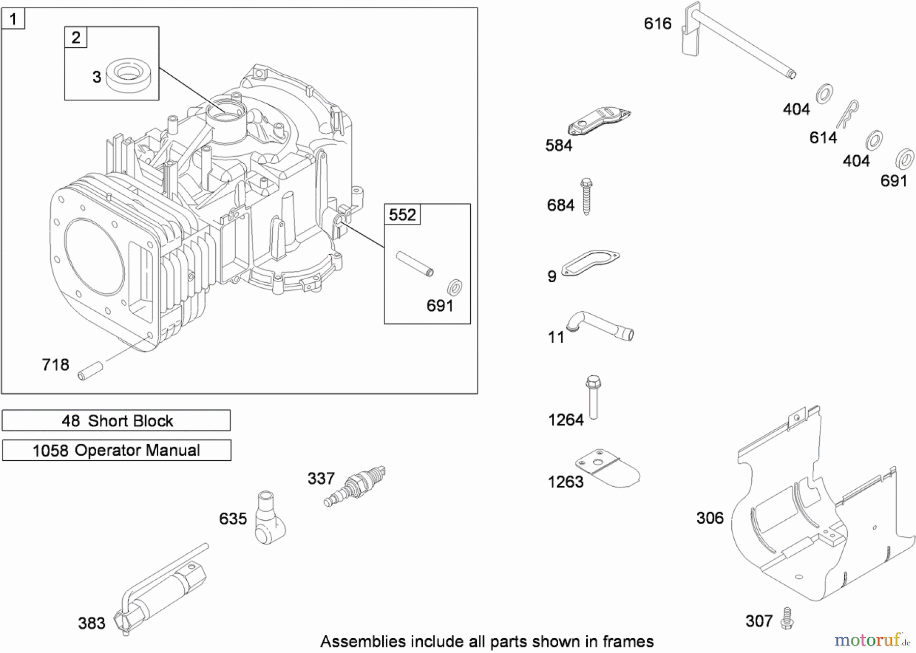
Toro 74573 (DH 200) - DH 200 Lawn Tractor, 2009 (290000481-290999999) CYLINDER ASSEMBLY BRIGGS AND STRATTON MODEL 31A607-0117-E1 Ersatzteile
CYLINDER ASSEMBLY BRIGGS AND STRATTON MODEL 31A607-0117-E1 74573 (DH 200) - Toro DH 200 Lawn Tractor, 2009 (290000481-290999999)

Hier finden Sie die Ersatzteilzeichnung für Toro Neu Mowers, Lawn & Garden Tractor Seite 1 74573 (DH 200) - Toro DH 200 Lawn Tractor, 2009 (290000481-290999999) CYLINDER ASSEMBLY BRIGGS AND STRATTON MODEL 31A607-0117-E1. Wählen Sie das benötigte Ersatzteil aus der Ersatzteilliste Ihres Toro Gerätes aus und bestellen Sie einfach online. Viele Toro Ersatzteile halten wir ständig in unserem Lager für Sie bereit.
| BildNr | Artikel Nummer | Bezeichnung | |
| 1 | BS796010 | CYLINDER ASSEMBLY | |
| 2 | BS399265 | ZYLINDER-BUECHSE | |
| 9 | BS697109 | DICHTUNG | |
| 11 | ![]()  | BS794683 | ENTLUFTUNGSSCHLAUCH | 
| 48 | BS697761 | SHORTBLOCK MODEL 31 VERT. | |
| 306 | BS697107 | BLECH 222394 | |
| 307 | BS691003 | SCHRAUBE | |
| 337 | BS691043 | ZUENDKERZE QC12YC | |
| 404 | BS691691 | UNTERLEGSCHEIBE | |
| 552 | BS697144 | BUCHSE | |
| 584 | BS794682 | MOTORENTLUFTUNG | |
| 614 | BS691620 | SPLINT | |
| 616 | ![]()  | BS692012 | REGLERWINKEL | 
| 635 | BS691909 | ZUENDKERZENKAPPE | |
| 684 | BS697157 | SCHRAUBE | |
| 691 | BS692407 | DICHTUNG | |
| 718 | BS690959 | STIFT | |
| 1058 | BSMS5935 | BA U WARTUNGSANLTG 12W SPRACHI | |
| 1263 | BS697124 | REED-BREATHER | |
| 1264 | BS697104 | SCREW | |


Qualitätsmanagement
 Informieren Sie uns, wenn Sie einen Fehler gefunden haben.



