Toro 74570 (DH 210) - DH 210 Lawn Tractor, 2005 (250000001-250999999) AXLE SHAFT ASSEMBLY TRANSMISSION ASSEMBLY NO. 104-2889 Ersatzteile
AXLE SHAFT ASSEMBLY TRANSMISSION ASSEMBLY NO. 104-2889 74570 (DH 210) - Toro DH 210 Lawn Tractor, 2005 (250000001-250999999)

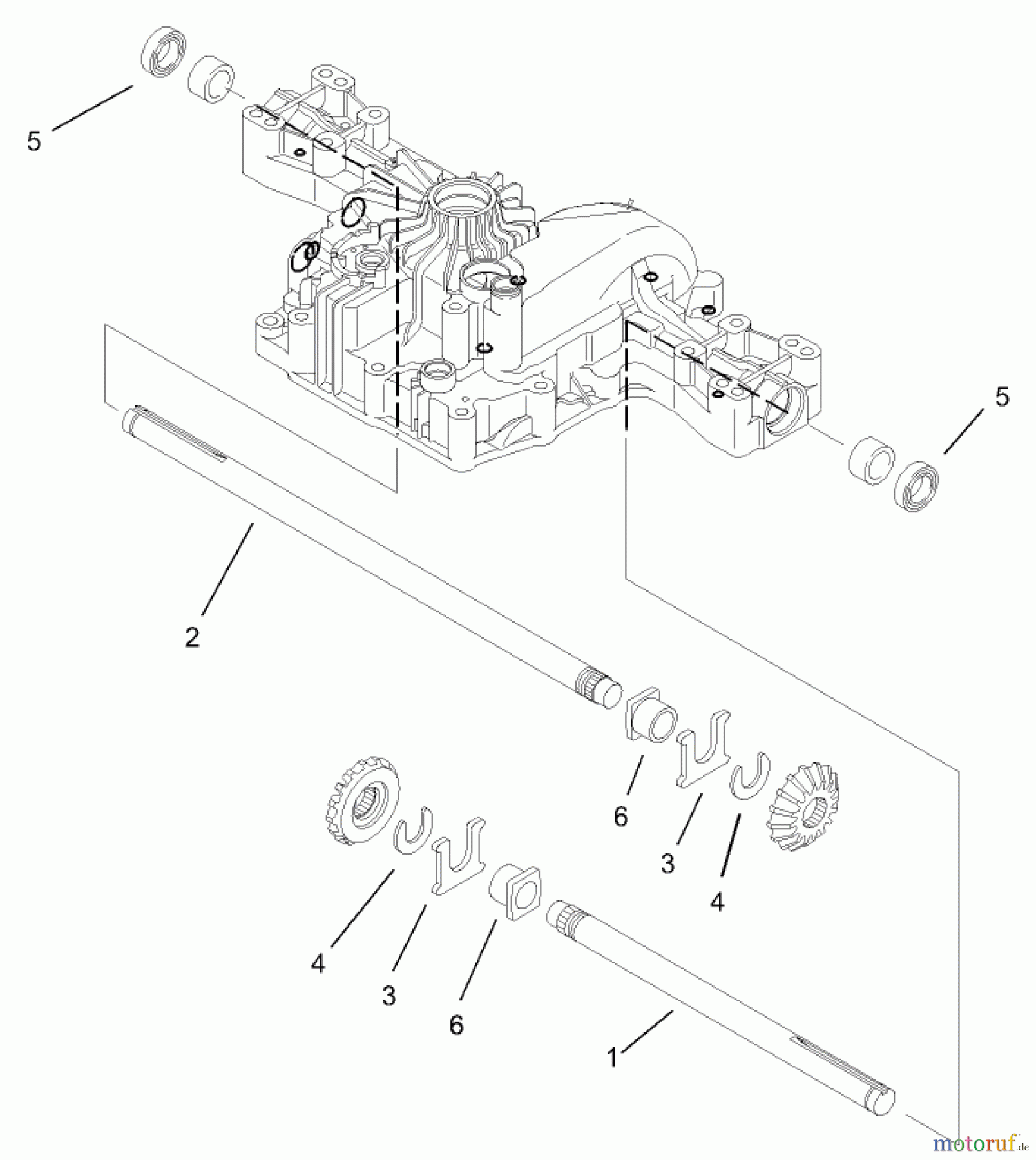
Hier finden Sie die Ersatzteilzeichnung für Toro Neu Mowers, Lawn & Garden Tractor Seite 1 74570 (DH 210) - Toro DH 210 Lawn Tractor, 2005 (250000001-250999999) AXLE SHAFT ASSEMBLY TRANSMISSION ASSEMBLY NO. 104-2889. Wählen Sie das benötigte Ersatzteil aus der Ersatzteilliste Ihres Toro Gerätes aus und bestellen Sie einfach online. Viele Toro Ersatzteile halten wir ständig in unserem Lager für Sie bereit.
| BildNr | Artikel Nummer | Bezeichnung | |
| 1 | TR104-3307 | Steckachse Rechts | |
| 2 | TR104-3308 | Steckachse Links | |
| 3 | TR104-3309 | WASHER-THRUST | |
| 4 | TR104-3310 | Sicherungsring | |
| 5 | TR104-3311 | Simmerring | |
| 6 | TR104-3312 | BUSHING | |



