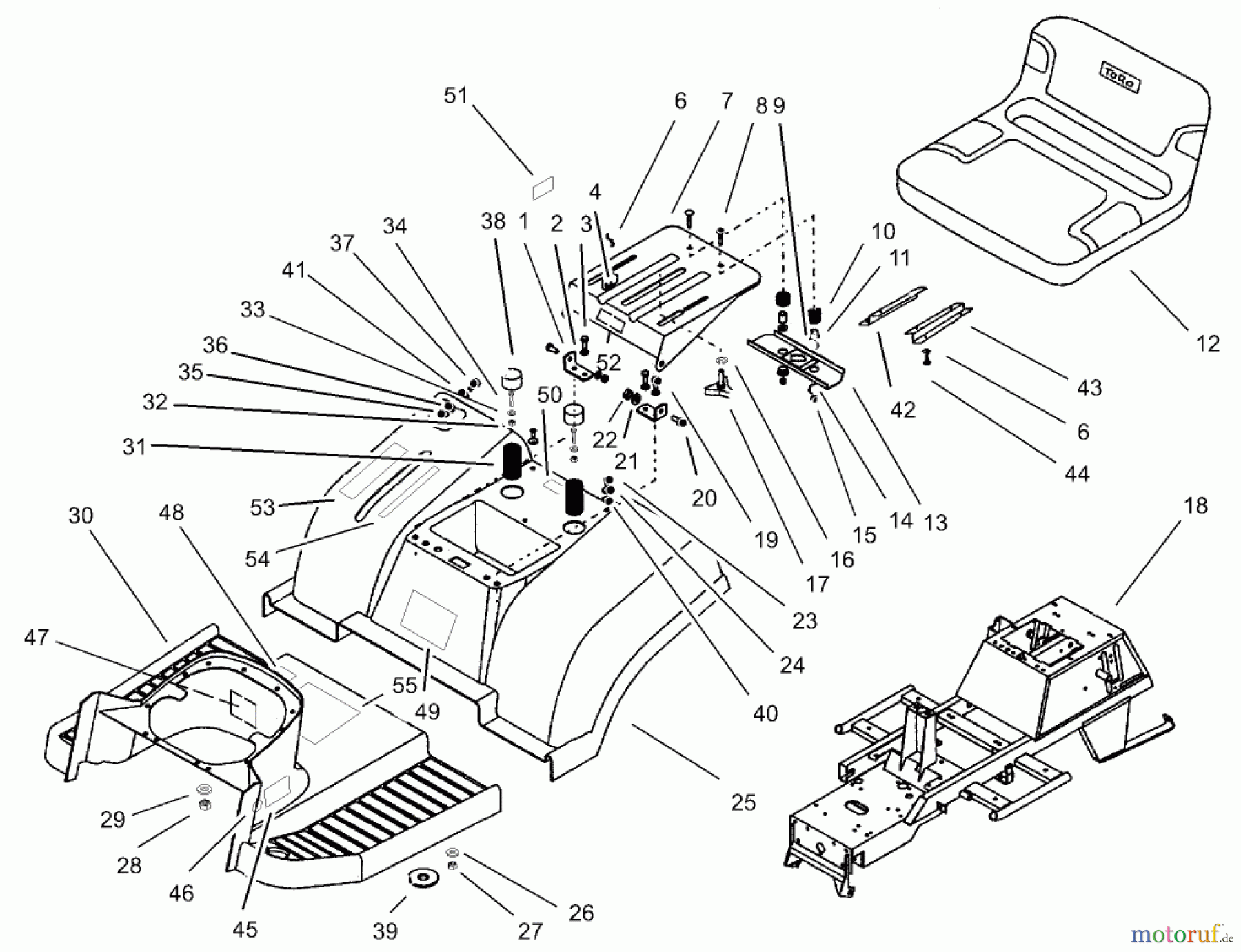
Toro 74570 (170-DH) - 170-DH Lawn Tractor, 2000 (200000001-200999999) BODY ASSEMBLY #1 Ersatzteile
BODY ASSEMBLY #1 74570 (170-DH) - Toro 170-DH Lawn Tractor, 2000 (200000001-200999999)

Hier finden Sie die Ersatzteilzeichnung für Toro Neu Mowers, Lawn & Garden Tractor Seite 1 74570 (170-DH) - Toro 170-DH Lawn Tractor, 2000 (200000001-200999999) BODY ASSEMBLY #1. Wählen Sie das benötigte Ersatzteil aus der Ersatzteilliste Ihres Toro Gerätes aus und bestellen Sie einfach online. Viele Toro Ersatzteile halten wir ständig in unserem Lager für Sie bereit.


Qualitätsmanagement
Informieren Sie uns, wenn Sie einen Fehler gefunden haben.


