Toro 74570 (170-DH) - 170-DH Lawn Tractor, 2000 (200000001-200999999) AXLE SHAFT ASSEMBLY Ersatzteile
AXLE SHAFT ASSEMBLY 74570 (170-DH) - Toro 170-DH Lawn Tractor, 2000 (200000001-200999999)

Hier finden Sie die Ersatzteilzeichnung für Toro Neu Mowers, Lawn & Garden Tractor Seite 1 74570 (170-DH) - Toro 170-DH Lawn Tractor, 2000 (200000001-200999999) AXLE SHAFT ASSEMBLY. Wählen Sie das benötigte Ersatzteil aus der Ersatzteilliste Ihres Toro Gerätes aus und bestellen Sie einfach online. Viele Toro Ersatzteile halten wir ständig in unserem Lager für Sie bereit.
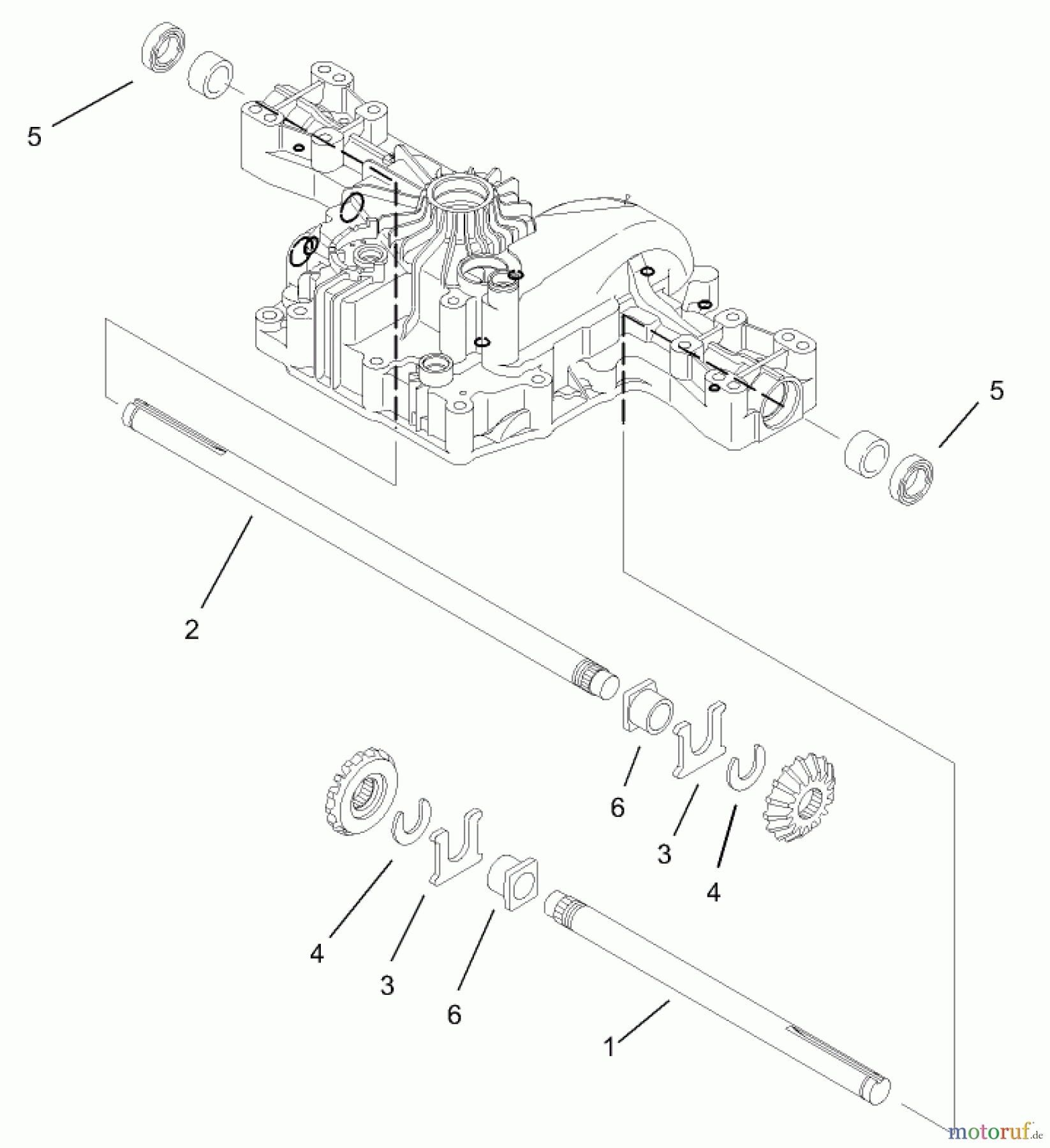
| BildNr | Artikel Nummer | Bezeichnung | |
| 1 | TR104-3307 | Steckachse Rechts | |
| 2 | TR104-3308 | Steckachse Links | |
| 3 | TR104-3309 | WASHER-THRUST | |
| 4 | TR104-3310 | Sicherungsring | |
| 5 | TR104-3311 | Simmerring | |
| 6 | TR104-3312 | BUSHING | |



