Toro 73561SEI (522xi) - 522xi Indy Special Edition Garden Tractor, 2000 (200000001-200999999) HYDRO TRANS AXLE ASSEMBLY #1 Ersatzteile
HYDRO TRANS AXLE ASSEMBLY #1 73561SEI (522xi) - Toro 522xi Indy Special Edition Garden Tractor, 2000 (200000001-200999999)

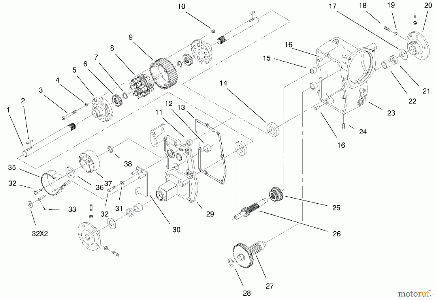
Hier finden Sie die Ersatzteilzeichnung für Toro Neu Mowers, Lawn & Garden Tractor Seite 1 73561SEI (522xi) - Toro 522xi Indy Special Edition Garden Tractor, 2000 (200000001-200999999) HYDRO TRANS AXLE ASSEMBLY #1. Wählen Sie das benötigte Ersatzteil aus der Ersatzteilliste Ihres Toro Gerätes aus und bestellen Sie einfach online. Viele Toro Ersatzteile halten wir ständig in unserem Lager für Sie bereit.


Qualitätsmanagement
Informieren Sie uns, wenn Sie einen Fehler gefunden haben.



