Toro 73561 (522xi) - 522xi Garden Tractor, 2002 (220000001-220999999) HYDRO TRANSAXLE ASSEMBLY #1 Ersatzteile
HYDRO TRANSAXLE ASSEMBLY #1 73561 (522xi) - Toro 522xi Garden Tractor, 2002 (220000001-220999999)

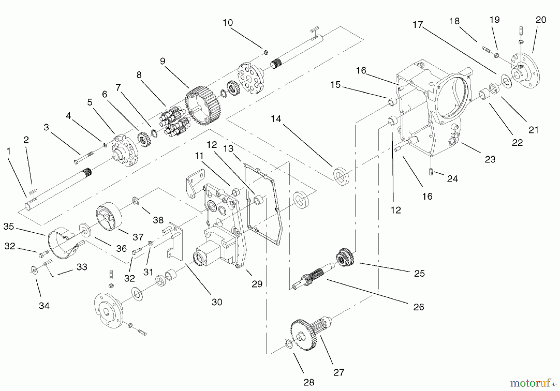
Hier finden Sie die Ersatzteilzeichnung für Toro Neu Mowers, Lawn & Garden Tractor Seite 1 73561 (522xi) - Toro 522xi Garden Tractor, 2002 (220000001-220999999) HYDRO TRANSAXLE ASSEMBLY #1. Wählen Sie das benötigte Ersatzteil aus der Ersatzteilliste Ihres Toro Gerätes aus und bestellen Sie einfach online. Viele Toro Ersatzteile halten wir ständig in unserem Lager für Sie bereit.


Qualitätsmanagement
Informieren Sie uns, wenn Sie einen Fehler gefunden haben.



