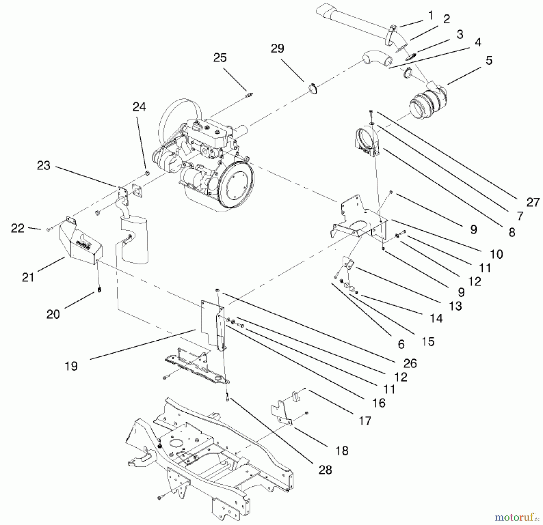
Toro 73552 (523Dxi) - 523Dxi Garden Tractor, 2000 (200000001-200999999) LIQUID COOLED DIESEL ENGINE ASSEMBLY #3 Ersatzteile
LIQUID COOLED DIESEL ENGINE ASSEMBLY #3 73552 (523Dxi) - Toro 523Dxi Garden Tractor, 2000 (200000001-200999999)

Hier finden Sie die Ersatzteilzeichnung für Toro Neu Mowers, Lawn & Garden Tractor Seite 1 73552 (523Dxi) - Toro 523Dxi Garden Tractor, 2000 (200000001-200999999) LIQUID COOLED DIESEL ENGINE ASSEMBLY #3. Wählen Sie das benötigte Ersatzteil aus der Ersatzteilliste Ihres Toro Gerätes aus und bestellen Sie einfach online. Viele Toro Ersatzteile halten wir ständig in unserem Lager für Sie bereit.


Qualitätsmanagement
Informieren Sie uns, wenn Sie einen Fehler gefunden haben.




