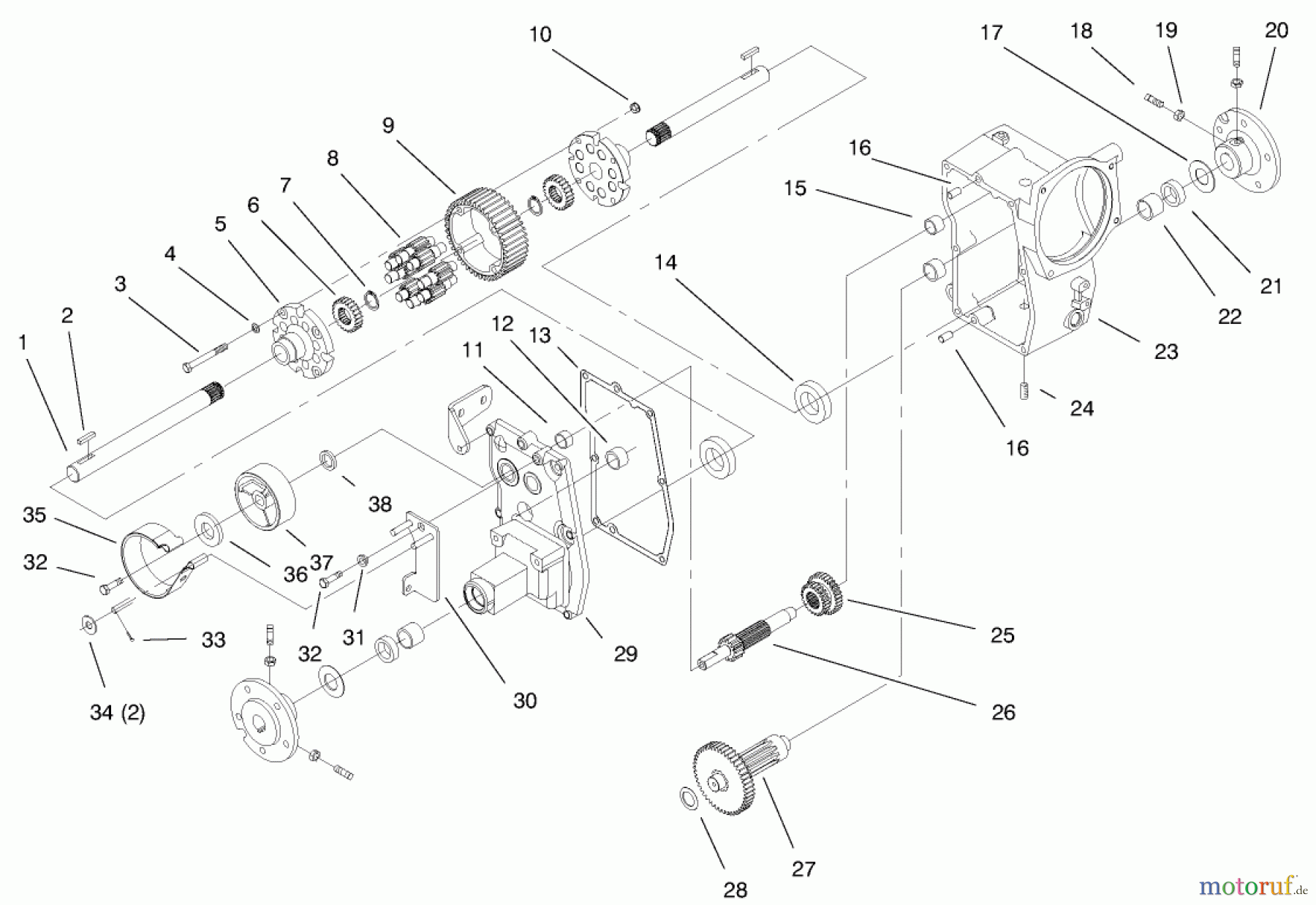
Toro 73542 (520xi) - 520xi Garden Tractor, 2000 (000000001-000999999) HYDRO TRANSAXLE ASSEMBLY #1 Ersatzteile
HYDRO TRANSAXLE ASSEMBLY #1 73542 (520xi) - Toro 520xi Garden Tractor, 2000 (000000001-000999999)

Hier finden Sie die Ersatzteilzeichnung für Toro Neu Mowers, Lawn & Garden Tractor Seite 1 73542 (520xi) - Toro 520xi Garden Tractor, 2000 (000000001-000999999) HYDRO TRANSAXLE ASSEMBLY #1. Wählen Sie das benötigte Ersatzteil aus der Ersatzteilliste Ihres Toro Gerätes aus und bestellen Sie einfach online. Viele Toro Ersatzteile halten wir ständig in unserem Lager für Sie bereit.





