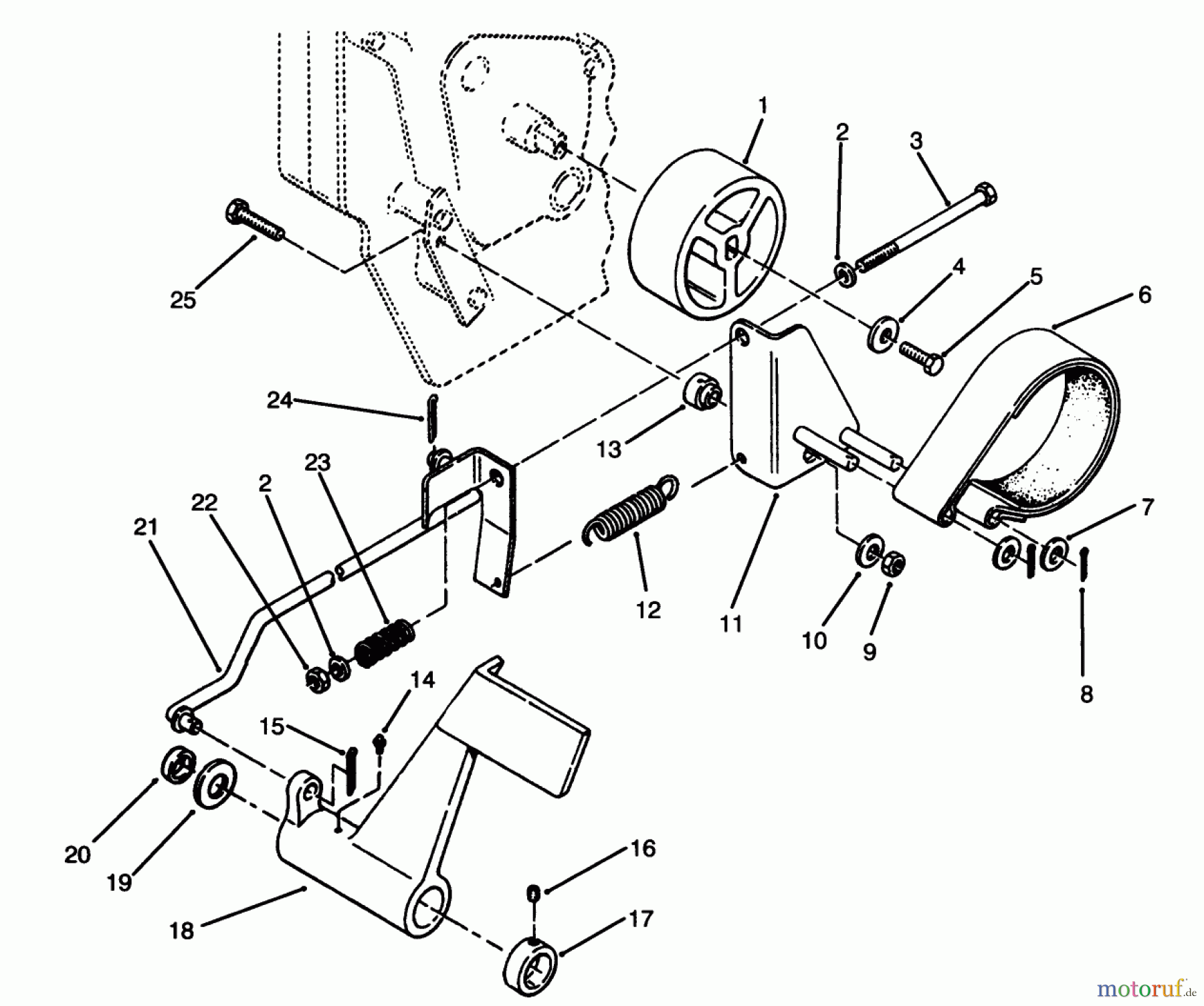
Toro 73520 (520-H) - 520-H Garden Tractor, 1994 (4900001-4999999) BRAKE PEDAL & LINKAGE ASSEMBLY Ersatzteile
BRAKE PEDAL & LINKAGE ASSEMBLY 73520 (520-H) - Toro 520-H Garden Tractor, 1994 (4900001-4999999)

Hier finden Sie die Ersatzteilzeichnung für Toro Neu Mowers, Lawn & Garden Tractor Seite 1 73520 (520-H) - Toro 520-H Garden Tractor, 1994 (4900001-4999999) BRAKE PEDAL & LINKAGE ASSEMBLY. Wählen Sie das benötigte Ersatzteil aus der Ersatzteilliste Ihres Toro Gerätes aus und bestellen Sie einfach online. Viele Toro Ersatzteile halten wir ständig in unserem Lager für Sie bereit.


Qualitätsmanagement
Informieren Sie uns, wenn Sie einen Fehler gefunden haben.



