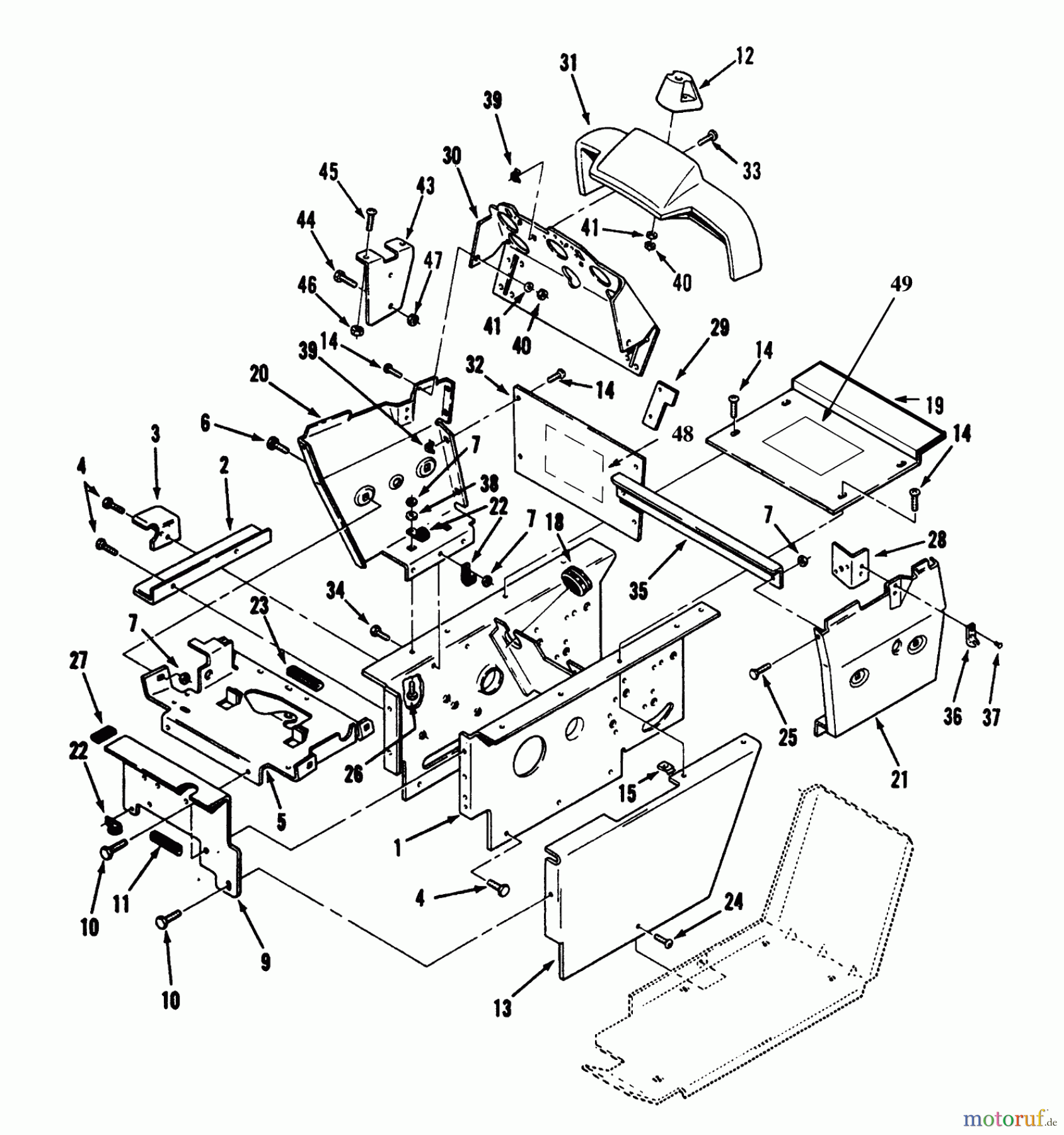
Toro 73520 (520-H) - 520-H Garden Tractor, 1993 (39000001-39999999) SHEET METAL AND COVERS #2 Ersatzteile
SHEET METAL AND COVERS #2 73520 (520-H) - Toro 520-H Garden Tractor, 1993 (39000001-39999999)

Hier finden Sie die Ersatzteilzeichnung für Toro Neu Mowers, Lawn & Garden Tractor Seite 1 73520 (520-H) - Toro 520-H Garden Tractor, 1993 (39000001-39999999) SHEET METAL AND COVERS #2. Wählen Sie das benötigte Ersatzteil aus der Ersatzteilliste Ihres Toro Gerätes aus und bestellen Sie einfach online. Viele Toro Ersatzteile halten wir ständig in unserem Lager für Sie bereit.


Qualitätsmanagement
 Informieren Sie uns, wenn Sie einen Fehler gefunden haben.




