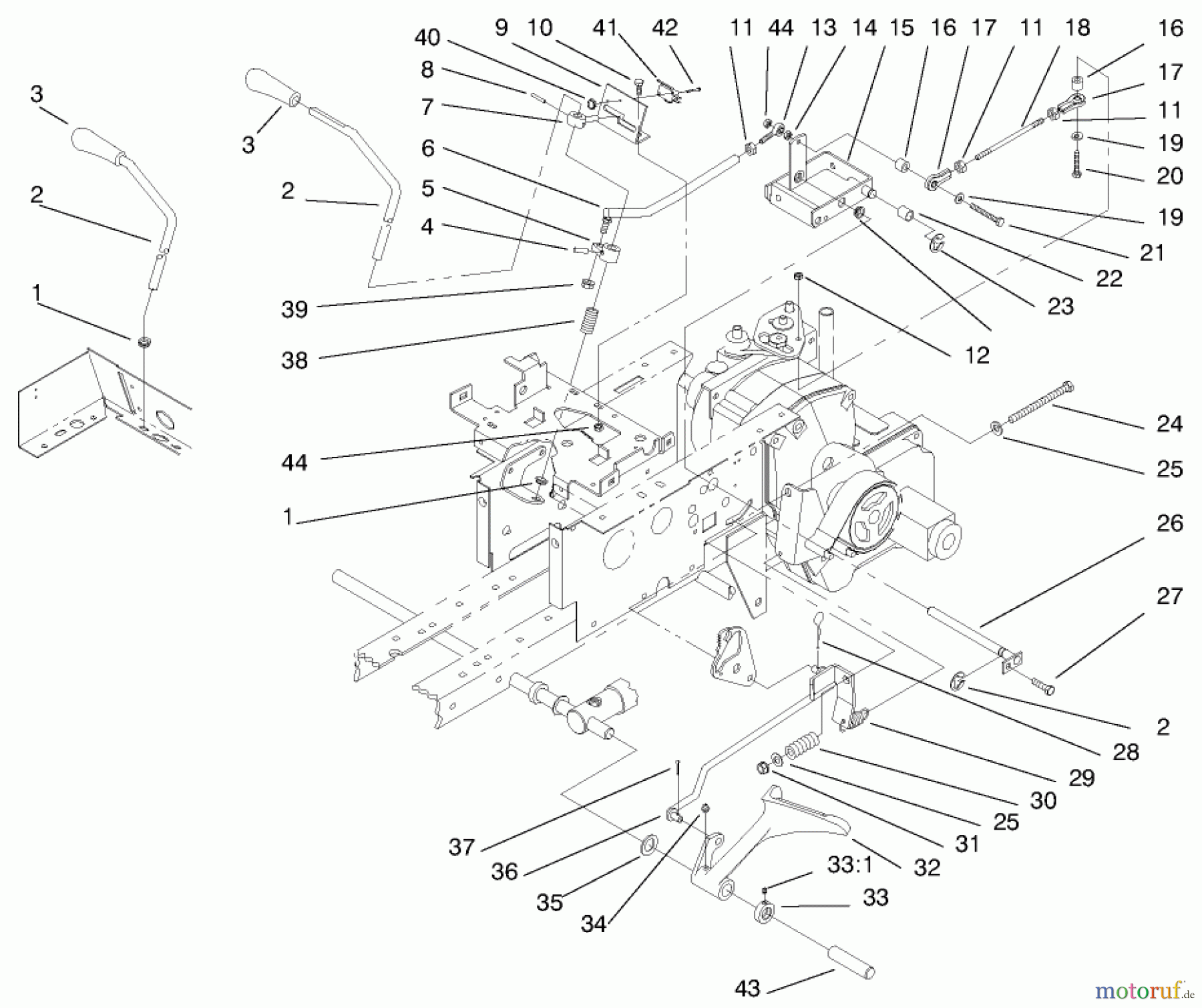
Toro 73502 (520-H) - 520-H Garden Tractor, 1997 (7900001-7999999) HYDRO CONTROLS, BRAKE SYSTEM Ersatzteile
HYDRO CONTROLS, BRAKE SYSTEM 73502 (520-H) - Toro 520-H Garden Tractor, 1997 (7900001-7999999)

Hier finden Sie die Ersatzteilzeichnung für Toro Neu Mowers, Lawn & Garden Tractor Seite 1 73502 (520-H) - Toro 520-H Garden Tractor, 1997 (7900001-7999999) HYDRO CONTROLS, BRAKE SYSTEM. Wählen Sie das benötigte Ersatzteil aus der Ersatzteilliste Ihres Toro Gerätes aus und bestellen Sie einfach online. Viele Toro Ersatzteile halten wir ständig in unserem Lager für Sie bereit.






