Toro 73502 (520-H) - 520-H Garden Tractor, 1997 (7900001-7999999) CHOKE CONTROL Ersatzteile
CHOKE CONTROL 73502 (520-H) - Toro 520-H Garden Tractor, 1997 (7900001-7999999)

Hier finden Sie die Ersatzteilzeichnung für Toro Neu Mowers, Lawn & Garden Tractor Seite 1 73502 (520-H) - Toro 520-H Garden Tractor, 1997 (7900001-7999999) CHOKE CONTROL. Wählen Sie das benötigte Ersatzteil aus der Ersatzteilliste Ihres Toro Gerätes aus und bestellen Sie einfach online. Viele Toro Ersatzteile halten wir ständig in unserem Lager für Sie bereit.
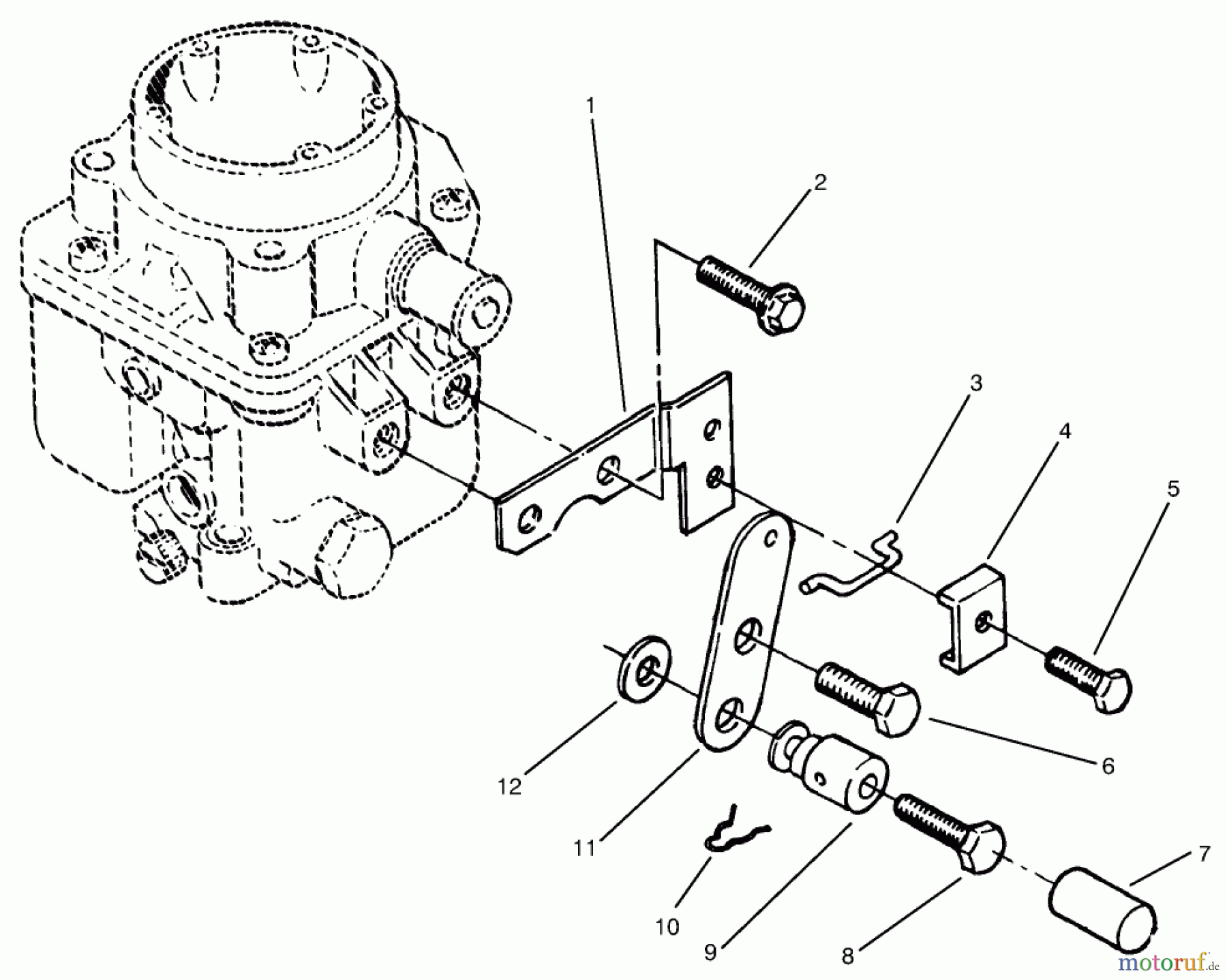
| BildNr | Artikel Nummer | Bezeichnung | |
| 1 | TR59-0470 | Hebel | |
| 2 | TR72-3880 | SCREW-HWH | |
| 3 | TR57-9180 | Gestaenge | |
| 4 | TR57-9190 | CLIP | |
| 5 | TR72-3900 | Schraube | |
| 6 | TR92-0916 | MACHINE SCREW | |
| 7 | TRNN10830 | DISCONTINUED | |
| 8 | TR72-3890 | Schraube | |
| 9 | TR57-9170 | Bowdenzugfuehrung | |
| 10 | TR59-0720 | PIN-COTTER | |
| 11 | TR59-0460 | SWIVEL-CHOKE | |
| 12 | TR59-0850 | SCHEIBE | |


Qualitätsmanagement
 Informieren Sie uns, wenn Sie einen Fehler gefunden haben.


