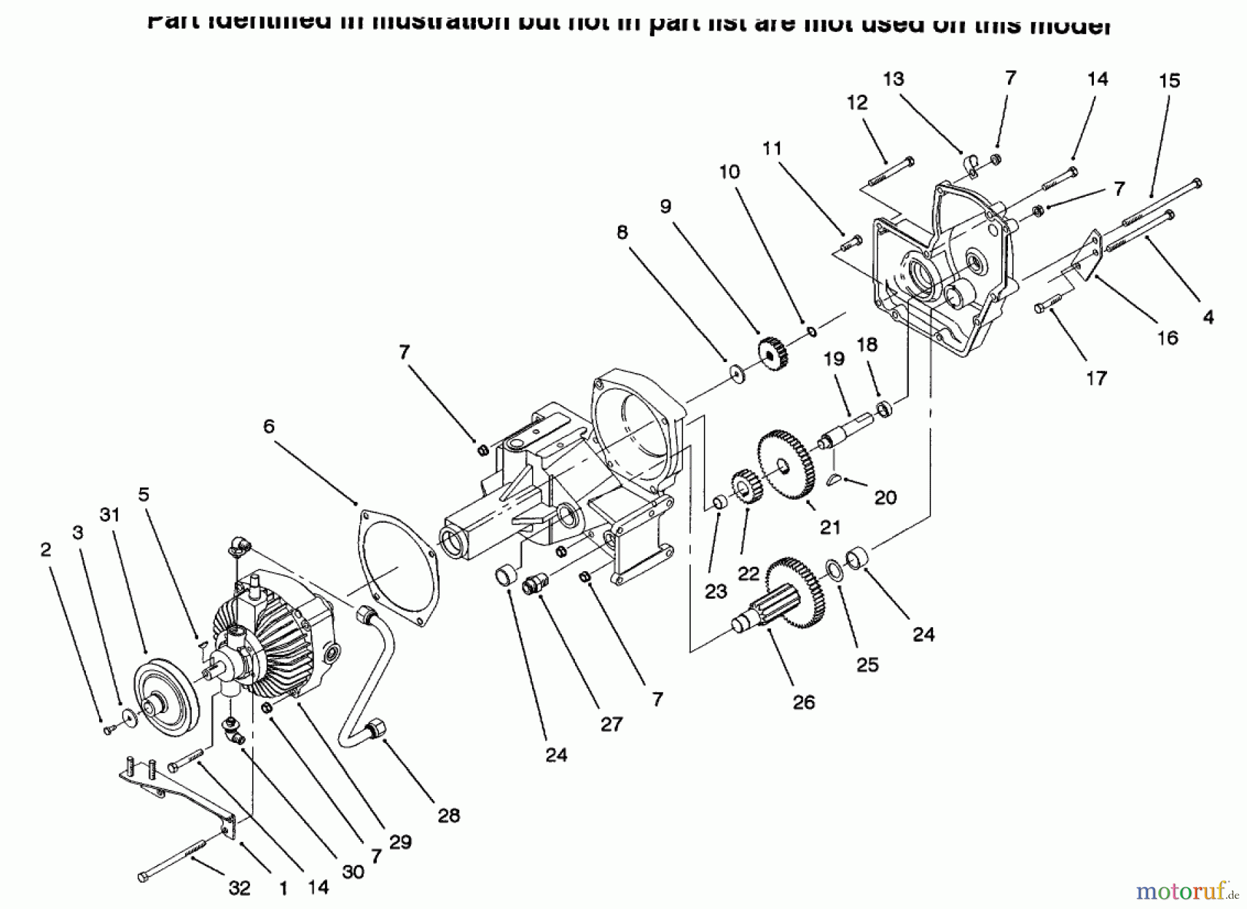
Toro 73502 (520-H) - 520-H Garden Tractor, 1996 (6900001-6999999) HYDROSTATIC TRANSMISSION #2 Ersatzteile
HYDROSTATIC TRANSMISSION #2 73502 (520-H) - Toro 520-H Garden Tractor, 1996 (6900001-6999999)

Hier finden Sie die Ersatzteilzeichnung für Toro Neu Mowers, Lawn & Garden Tractor Seite 1 73502 (520-H) - Toro 520-H Garden Tractor, 1996 (6900001-6999999) HYDROSTATIC TRANSMISSION #2. Wählen Sie das benötigte Ersatzteil aus der Ersatzteilliste Ihres Toro Gerätes aus und bestellen Sie einfach online. Viele Toro Ersatzteile halten wir ständig in unserem Lager für Sie bereit.



