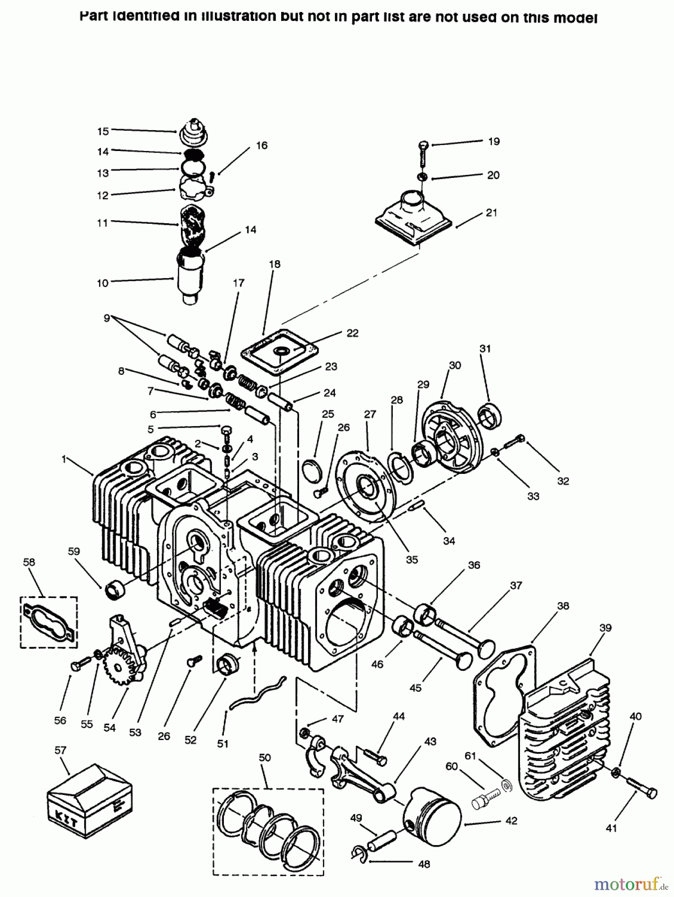
Toro 73502 (520-H) - 520-H Garden Tractor, 1996 (6900001-6999999) ENGINE CYLINDER BLOCK Ersatzteile
ENGINE CYLINDER BLOCK 73502 (520-H) - Toro 520-H Garden Tractor, 1996 (6900001-6999999)

Hier finden Sie die Ersatzteilzeichnung für Toro Neu Mowers, Lawn & Garden Tractor Seite 1 73502 (520-H) - Toro 520-H Garden Tractor, 1996 (6900001-6999999) ENGINE CYLINDER BLOCK. Wählen Sie das benötigte Ersatzteil aus der Ersatzteilliste Ihres Toro Gerätes aus und bestellen Sie einfach online. Viele Toro Ersatzteile halten wir ständig in unserem Lager für Sie bereit.


Qualitätsmanagement
Informieren Sie uns, wenn Sie einen Fehler gefunden haben.

