Toro 73501 (520-H) - 520-H Garden Tractor, 1995 (59000412-59002868) CHOKE CONTROL (FRONT PULL) Ersatzteile
CHOKE CONTROL (FRONT PULL) 73501 (520-H) - Toro 520-H Garden Tractor, 1995 (59000412-59002868)

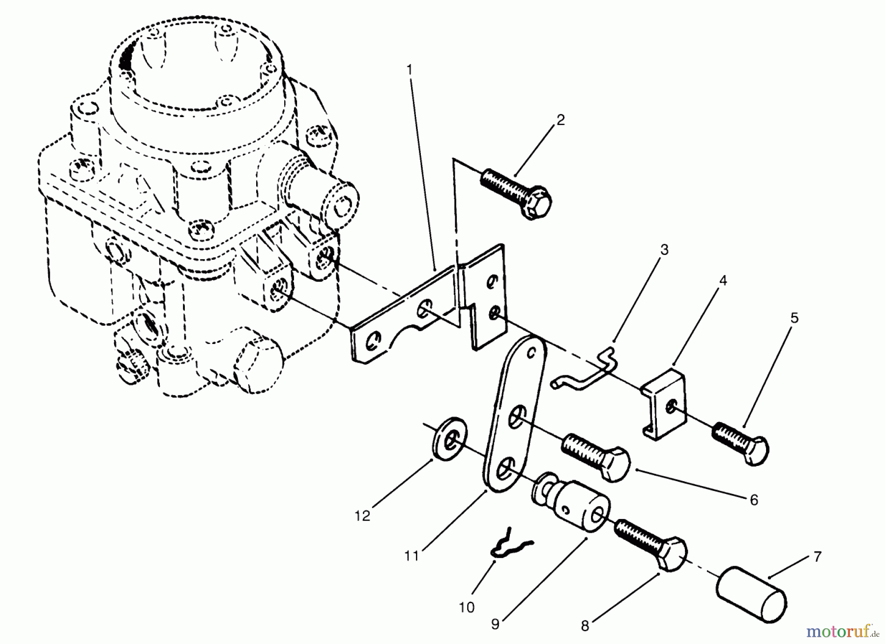
Hier finden Sie die Ersatzteilzeichnung für Toro Neu Mowers, Lawn & Garden Tractor Seite 1 73501 (520-H) - Toro 520-H Garden Tractor, 1995 (59000412-59002868) CHOKE CONTROL (FRONT PULL). Wählen Sie das benötigte Ersatzteil aus der Ersatzteilliste Ihres Toro Gerätes aus und bestellen Sie einfach online. Viele Toro Ersatzteile halten wir ständig in unserem Lager für Sie bereit.
| BildNr | Artikel Nummer | Bezeichnung | |
| 1 | TR59-0470 | Hebel | |
| 2 | TR72-3880 | SCREW-HWH | |
| 3 | TR57-9180 | Gestaenge | |
| 4 | TR57-9190 | CLIP | |
| 5 | TR72-3900 | Schraube | |
| 6 | TR92-0916 | MACHINE SCREW | |
| 7 | TRNN10830 | DISCONTINUED | |
| 8 | TR72-3890 | Schraube | |
| 9 | TRNN10656 | SWIVEL-CHOKE LEVER | |
| 10 | TR59-0720 | PIN-COTTER | |
| 11 | TRNN10511 | DISCONTINUED | |
| 12 | TR59-0850 | SCHEIBE | |


Qualitätsmanagement
Informieren Sie uns, wenn Sie einen Fehler gefunden haben.

