Toro 73449 (314-8) - 314-8 Garden Tractor, 2000 (200000001-200999999) ELECTRICAL SCHEMATIC (MODEL 73449 ONLY) Ersatzteile
ELECTRICAL SCHEMATIC (MODEL 73449 ONLY) 73449 (314-8) - Toro 314-8 Garden Tractor, 2000 (200000001-200999999)

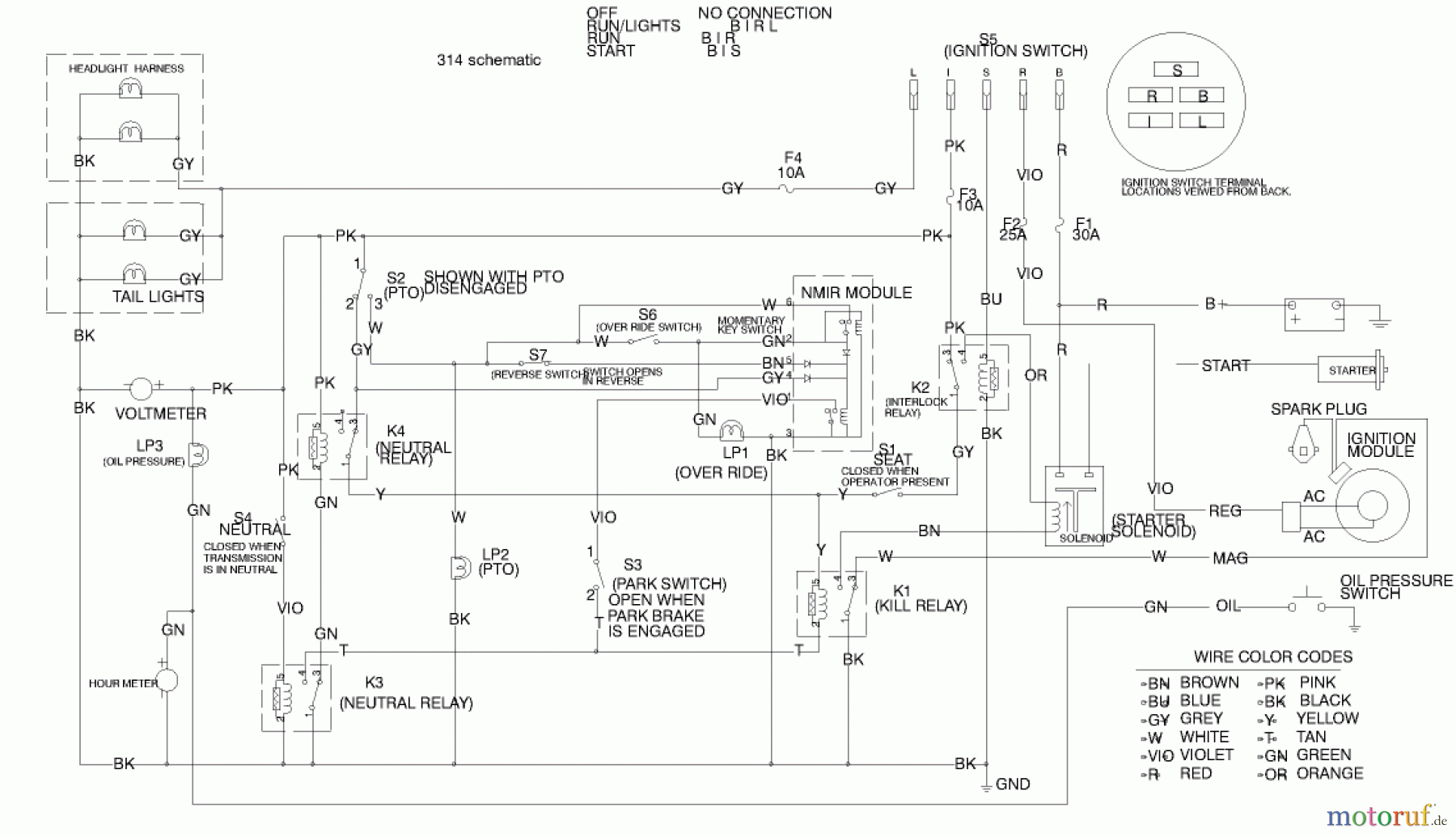
Hier finden Sie die Ersatzteilzeichnung für Toro Neu Mowers, Lawn & Garden Tractor Seite 1 73449 (314-8) - Toro 314-8 Garden Tractor, 2000 (200000001-200999999) ELECTRICAL SCHEMATIC (MODEL 73449 ONLY). Wählen Sie das benötigte Ersatzteil aus der Ersatzteilliste Ihres Toro Gerätes aus und bestellen Sie einfach online. Viele Toro Ersatzteile halten wir ständig in unserem Lager für Sie bereit.
| BildNr | Artikel Nummer | Bezeichnung | |
| F1 | TRNN10277 | FUSE-30 AMP | |
| F2 | TC109102 | ||
| F3 | TR114594 | DUP PART SEE $BOOK | |
| F4 | TR114594 | DUP PART SEE $BOOK | |


Qualitätsmanagement
Informieren Sie uns, wenn Sie einen Fehler gefunden haben.

