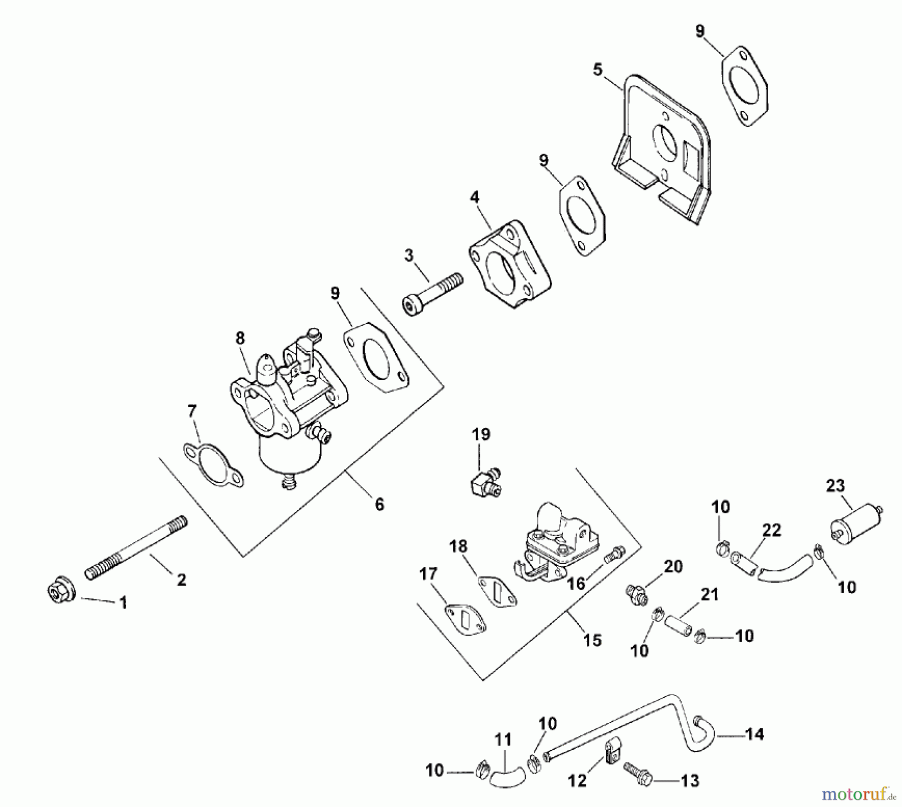
Toro 73429 (312-8) - 312-8 Garden Tractor, 2001 (210000001-210999999) CARBURETOR AND FUEL PUMP (MODEL 73449 ONLY) Ersatzteile
CARBURETOR AND FUEL PUMP (MODEL 73449 ONLY) 73429 (312-8) - Toro 312-8 Garden Tractor, 2001 (210000001-210999999)

Hier finden Sie die Ersatzteilzeichnung für Toro Neu Mowers, Lawn & Garden Tractor Seite 1 73429 (312-8) - Toro 312-8 Garden Tractor, 2001 (210000001-210999999) CARBURETOR AND FUEL PUMP (MODEL 73449 ONLY). Wählen Sie das benötigte Ersatzteil aus der Ersatzteilliste Ihres Toro Gerätes aus und bestellen Sie einfach online. Viele Toro Ersatzteile halten wir ständig in unserem Lager für Sie bereit.
| BildNr | Artikel Nummer | Bezeichnung | |
| 1 | KHM-641060 | Mutter | |
| 2 | KHM-0629085 | ||
| 3 | KHM-0644035 | ||
| 10 | KHX-426-9-S | USE 25 237 14-S | |
| 13 | KHM-545010 | Schraube | |
| 16 | KHM-645020 | Schraube | |
| 19 | KH2515502-S | CONNECTOR, 90 DEG. HOSE | |
| 20 | KHX-380-1-S | USE 25 326 03-S | |



