Toro 73422 (416-8) - 416-8 Garden Tractor, 1997 (7900001-7999999) CHOKE CONTROL Ersatzteile
CHOKE CONTROL 73422 (416-8) - Toro 416-8 Garden Tractor, 1997 (7900001-7999999)

Hier finden Sie die Ersatzteilzeichnung für Toro Neu Mowers, Lawn & Garden Tractor Seite 1 73422 (416-8) - Toro 416-8 Garden Tractor, 1997 (7900001-7999999) CHOKE CONTROL. Wählen Sie das benötigte Ersatzteil aus der Ersatzteilliste Ihres Toro Gerätes aus und bestellen Sie einfach online. Viele Toro Ersatzteile halten wir ständig in unserem Lager für Sie bereit.
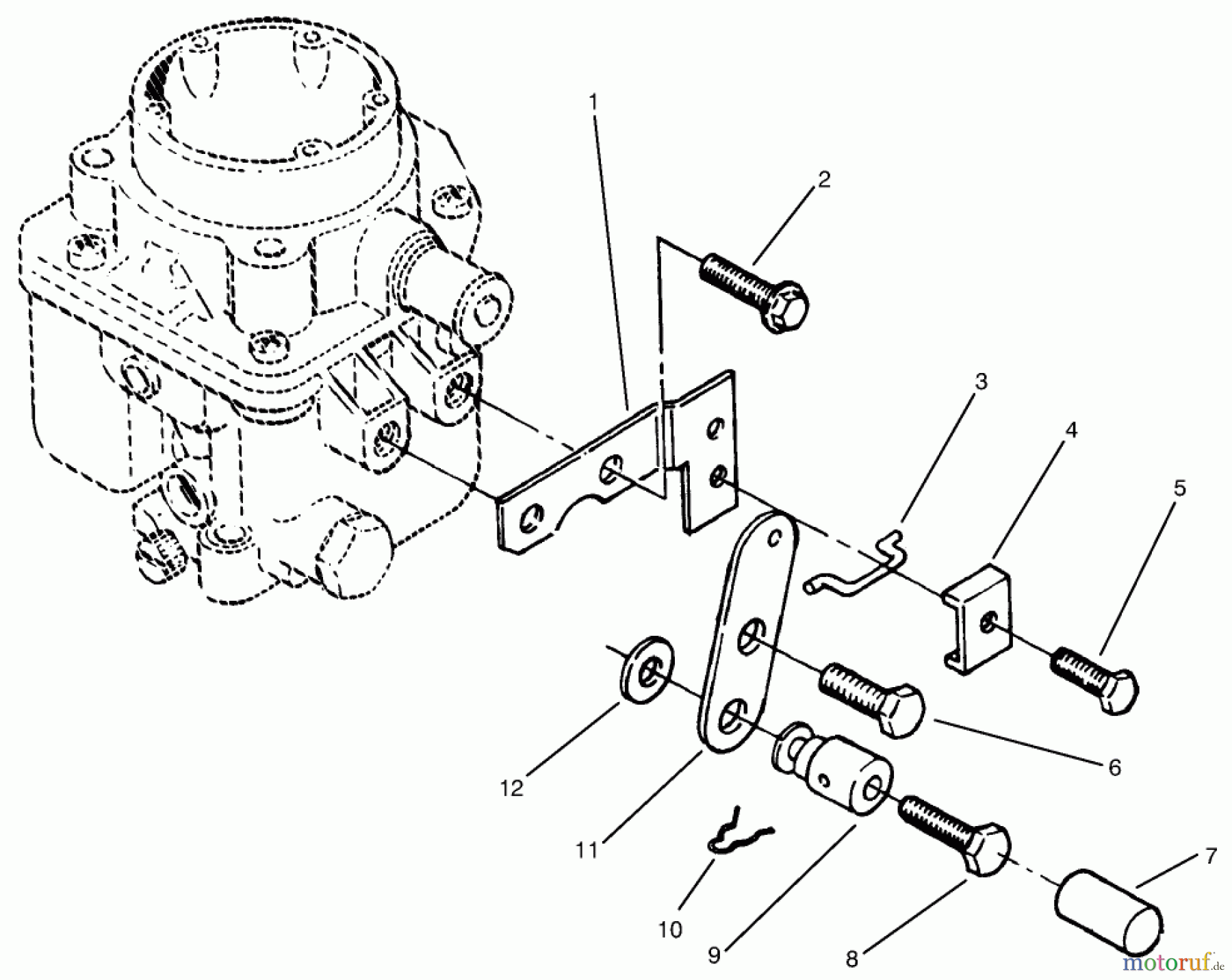
| BildNr | Artikel Nummer | Bezeichnung | |
| 1 | TR59-0470 | Hebel | |
| 2 | TR72-3880 | SCREW-HWH | |
| 3 | TR57-9180 | Gestaenge | |
| 4 | TR57-9190 | CLIP | |
| 5 | TR72-3900 | Schraube | |
| 6 | TR92-0916 | MACHINE SCREW | |
| 7 | TRNN10830 | DISCONTINUED | |
| 8 | TR72-3890 | Schraube | |
| 9 | TR57-9170 | Bowdenzugfuehrung | |
| 10 | TR59-0720 | PIN-COTTER | |
| 11 | TR59-0460 | SWIVEL-CHOKE | |
| 12 | TR59-0850 | SCHEIBE | |



