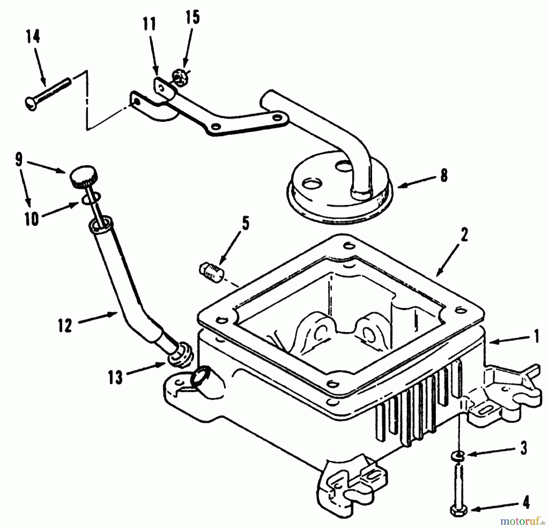
Toro 73420 (416-8) - 416-8 Garden Tractor, 1996 (6900001-6999999) OIL BASE AND FILL TUBE AND BRACKET Ersatzteile
OIL BASE AND FILL TUBE AND BRACKET 73420 (416-8) - Toro 416-8 Garden Tractor, 1996 (6900001-6999999)

Hier finden Sie die Ersatzteilzeichnung für Toro Neu Mowers, Lawn & Garden Tractor Seite 1 73420 (416-8) - Toro 416-8 Garden Tractor, 1996 (6900001-6999999) OIL BASE AND FILL TUBE AND BRACKET. Wählen Sie das benötigte Ersatzteil aus der Ersatzteilliste Ihres Toro Gerätes aus und bestellen Sie einfach online. Viele Toro Ersatzteile halten wir ständig in unserem Lager für Sie bereit.


Qualitätsmanagement
Informieren Sie uns, wenn Sie einen Fehler gefunden haben.

