Toro 73401 (314-H) - 314-H Garden Tractor, 1995 (5900261-5901260) HYDROSTATIC TRANSMISSION Ersatzteile
HYDROSTATIC TRANSMISSION 73401 (314-H) - Toro 314-H Garden Tractor, 1995 (5900261-5901260)

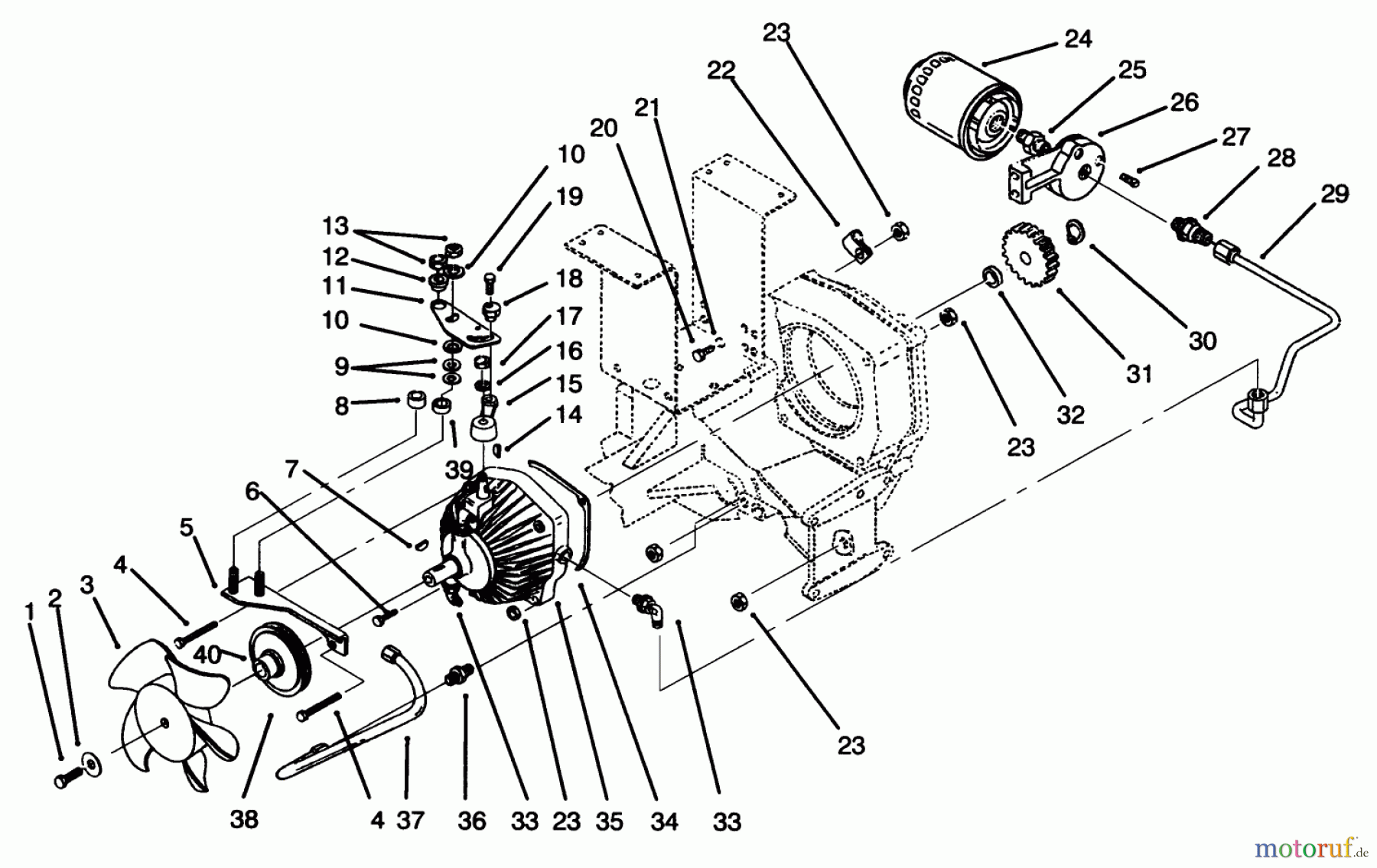
Hier finden Sie die Ersatzteilzeichnung für Toro Neu Mowers, Lawn & Garden Tractor Seite 1 73401 (314-H) - Toro 314-H Garden Tractor, 1995 (5900261-5901260) HYDROSTATIC TRANSMISSION. Wählen Sie das benötigte Ersatzteil aus der Ersatzteilliste Ihres Toro Gerätes aus und bestellen Sie einfach online. Viele Toro Ersatzteile halten wir ständig in unserem Lager für Sie bereit.


Qualitätsmanagement
Informieren Sie uns, wenn Sie einen Fehler gefunden haben.

