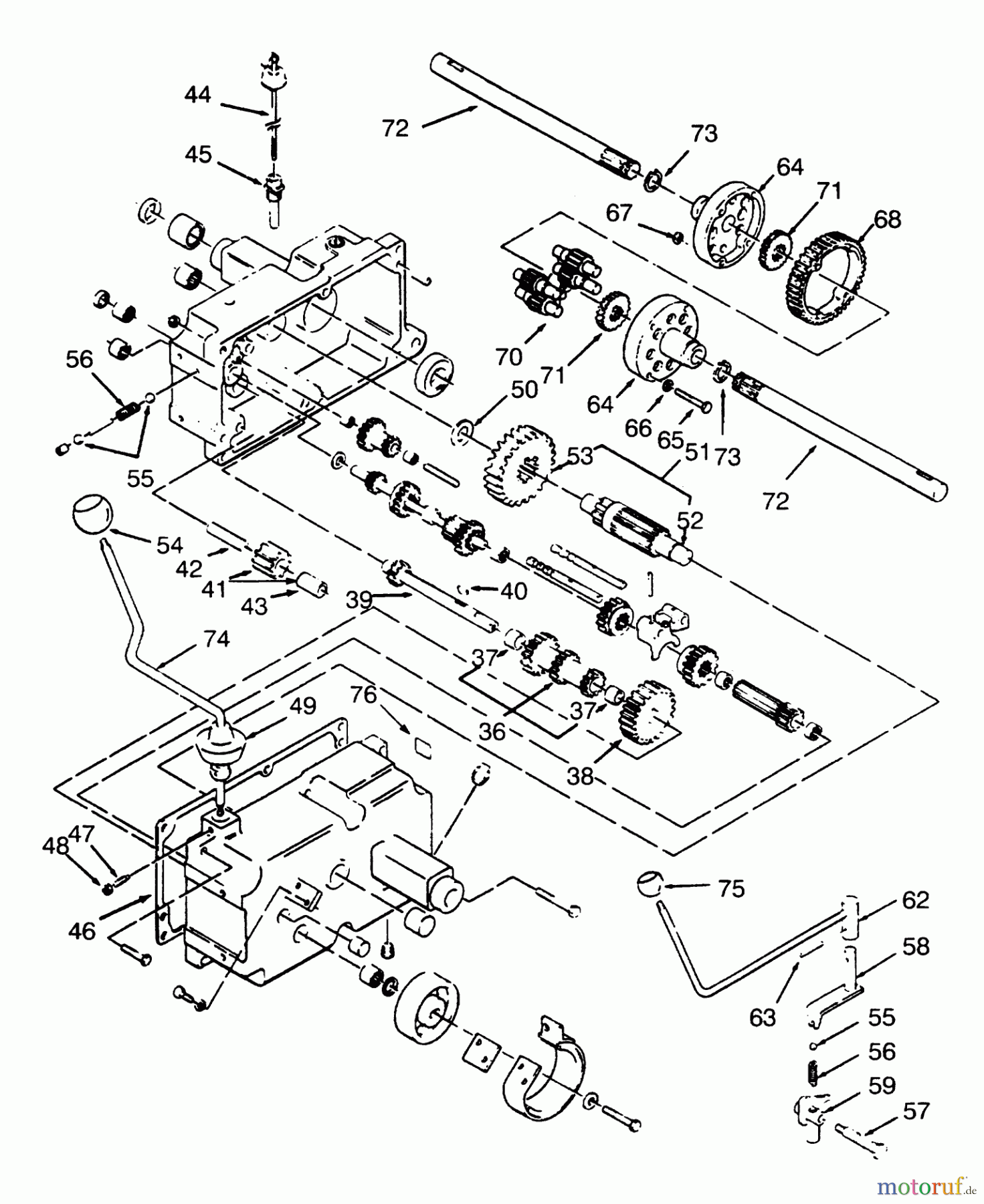
Toro 73400 (314-8) - 314-8 Garden Tractor, 1993 (3900001-3999999) TRANSMISSION 8-SPEED #2 Ersatzteile
TRANSMISSION 8-SPEED #2 73400 (314-8) - Toro 314-8 Garden Tractor, 1993 (3900001-3999999)

Hier finden Sie die Ersatzteilzeichnung für Toro Neu Mowers, Lawn & Garden Tractor Seite 1 73400 (314-8) - Toro 314-8 Garden Tractor, 1993 (3900001-3999999) TRANSMISSION 8-SPEED #2. Wählen Sie das benötigte Ersatzteil aus der Ersatzteilliste Ihres Toro Gerätes aus und bestellen Sie einfach online. Viele Toro Ersatzteile halten wir ständig in unserem Lager für Sie bereit.



