Toro 73380 (312-8) - 312-8 Garden Tractor, 1993 (3900001-3999999) CARBURETORS Ersatzteile
CARBURETORS 73380 (312-8) - Toro 312-8 Garden Tractor, 1993 (3900001-3999999)

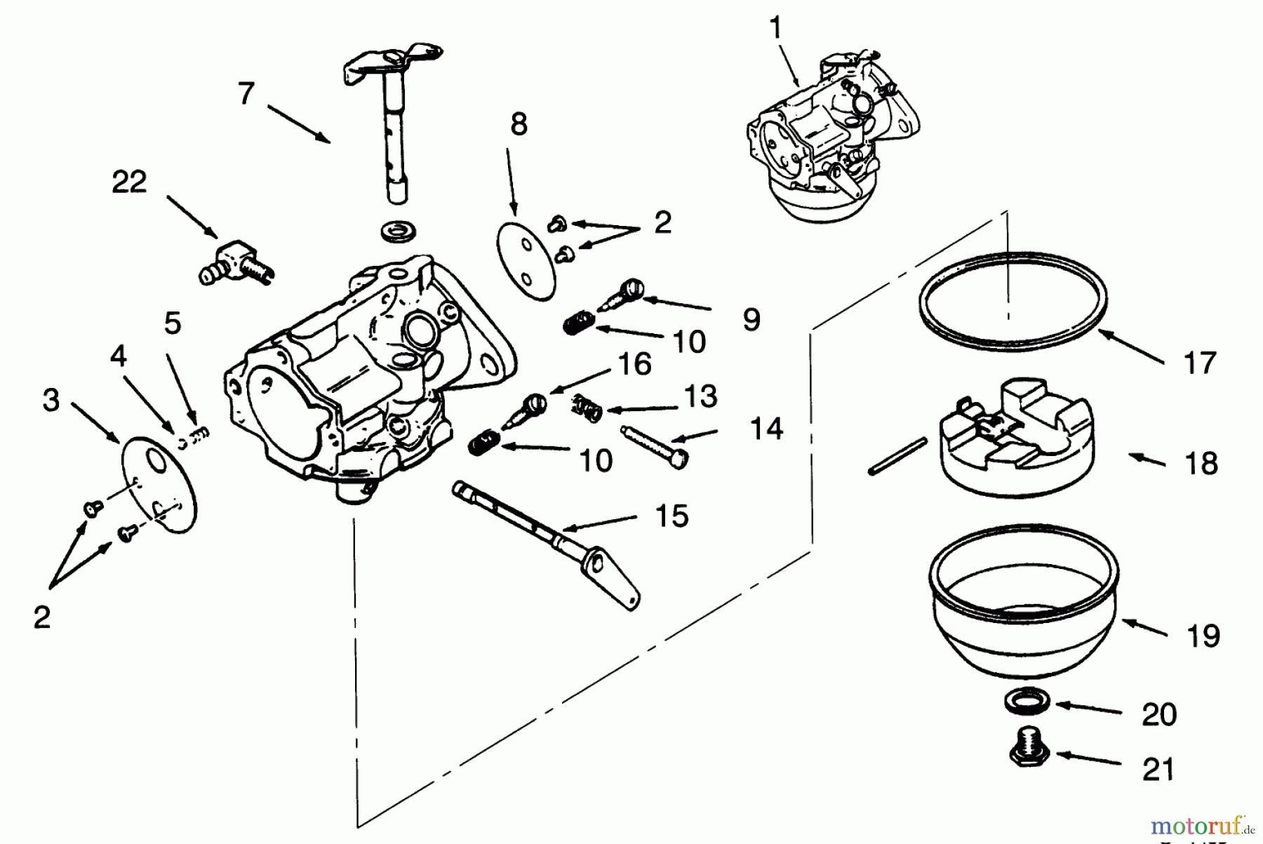
Hier finden Sie die Ersatzteilzeichnung für Toro Neu Mowers, Lawn & Garden Tractor Seite 1 73380 (312-8) - Toro 312-8 Garden Tractor, 1993 (3900001-3999999) CARBURETORS. Wählen Sie das benötigte Ersatzteil aus der Ersatzteilliste Ihres Toro Gerätes aus und bestellen Sie einfach online. Viele Toro Ersatzteile halten wir ständig in unserem Lager für Sie bereit.



