Toro 73363 (312-8) - 312-8 Garden Tractor, 1996 (6900001-6999999) TRANSMISSION 8-SPEED 4 PINION #2 Ersatzteile
TRANSMISSION 8-SPEED 4 PINION #2 73363 (312-8) - Toro 312-8 Garden Tractor, 1996 (6900001-6999999)

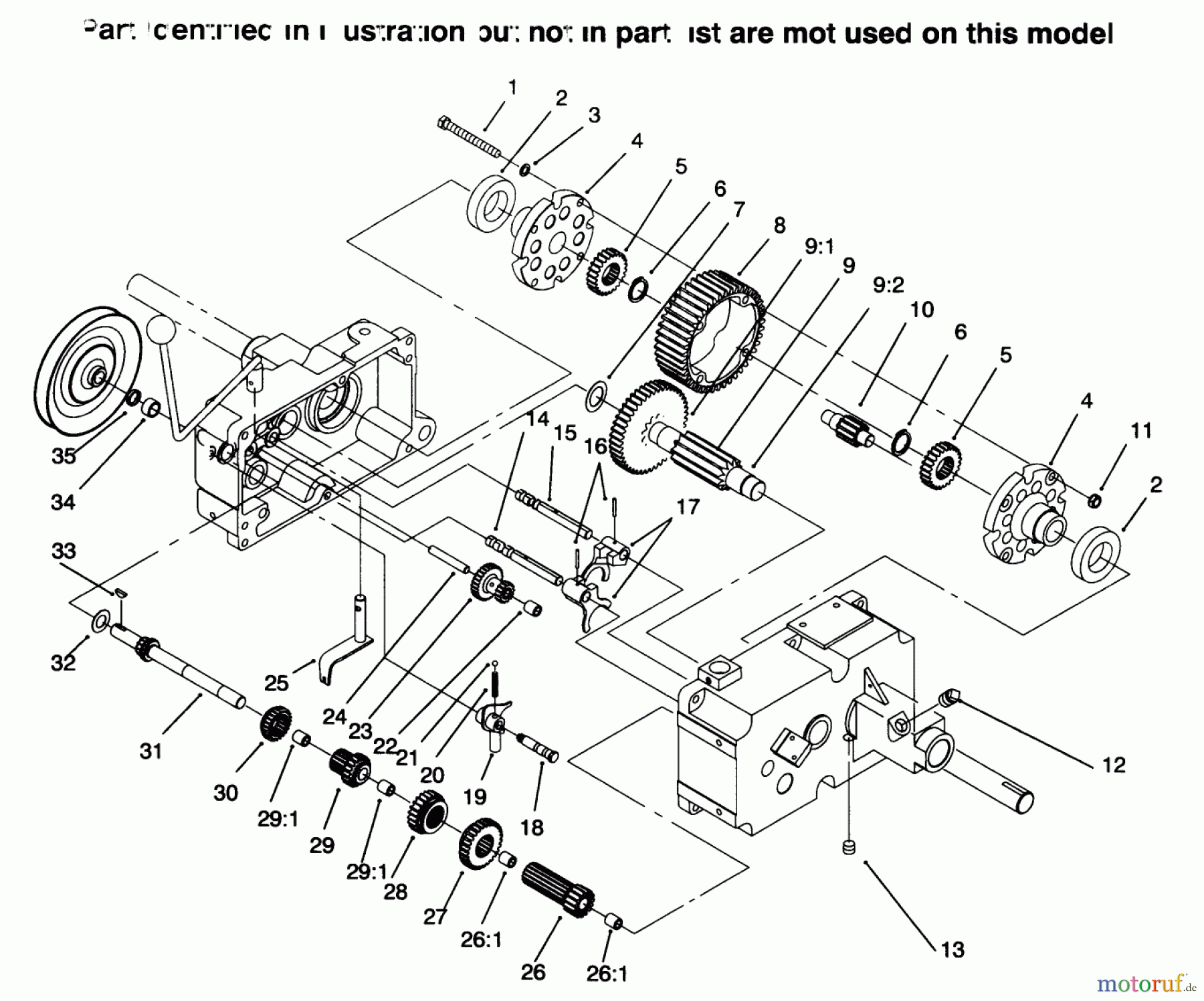
Hier finden Sie die Ersatzteilzeichnung für Toro Neu Mowers, Lawn & Garden Tractor Seite 1 73363 (312-8) - Toro 312-8 Garden Tractor, 1996 (6900001-6999999) TRANSMISSION 8-SPEED 4 PINION #2. Wählen Sie das benötigte Ersatzteil aus der Ersatzteilliste Ihres Toro Gerätes aus und bestellen Sie einfach online. Viele Toro Ersatzteile halten wir ständig in unserem Lager für Sie bereit.


Qualitätsmanagement
Informieren Sie uns, wenn Sie einen Fehler gefunden haben.

