Toro 72211 (420) - 420 Garden Tractor, 2006 (260000001-260999999) ENGINE, MUFFLER AND PTO ASSEMBLY Ersatzteile
ENGINE, MUFFLER AND PTO ASSEMBLY 72211 (420) - Toro 420 Garden Tractor, 2006 (260000001-260999999)

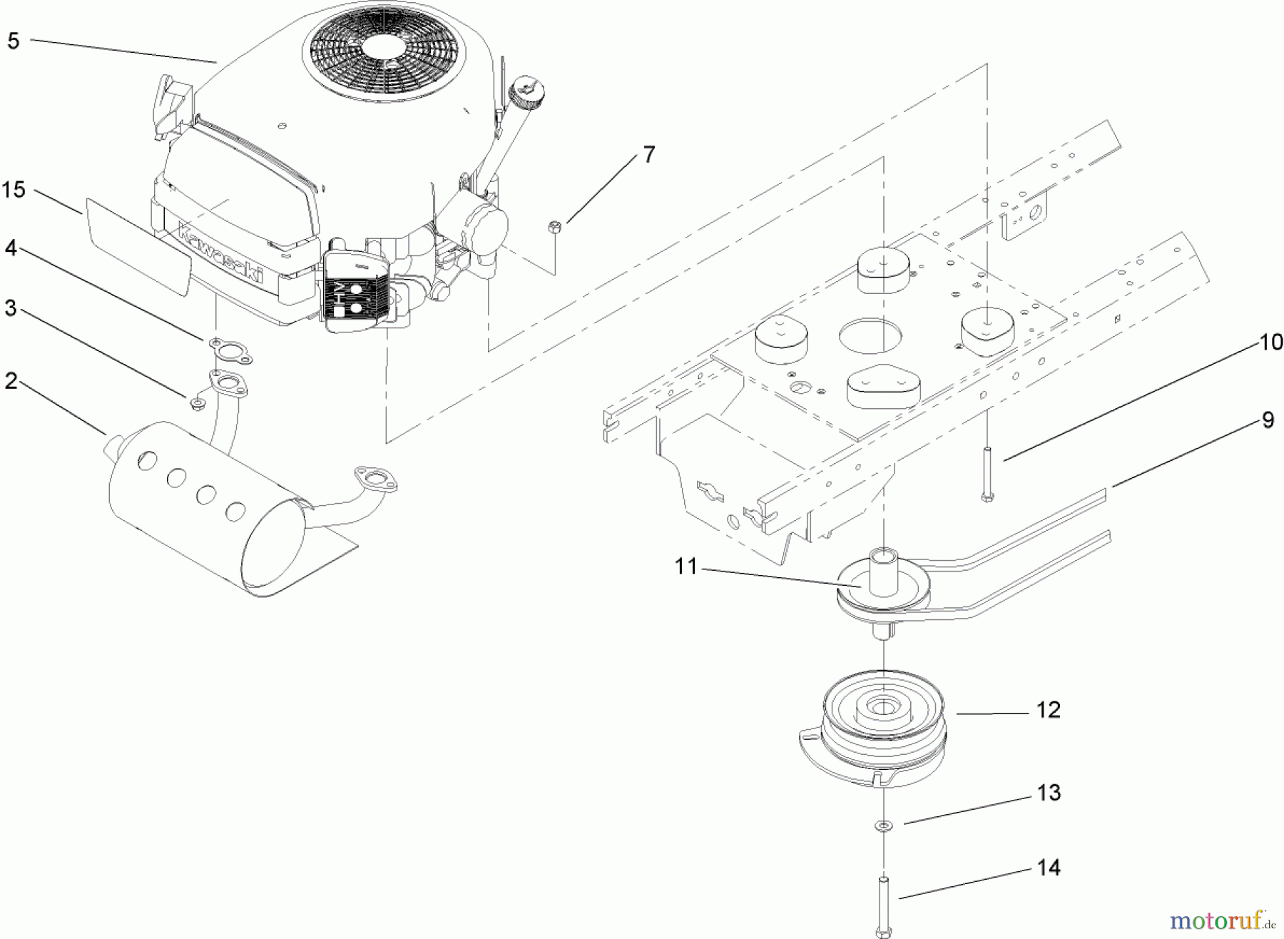
Hier finden Sie die Ersatzteilzeichnung für Toro Neu Mowers, Lawn & Garden Tractor Seite 1 72211 (420) - Toro 420 Garden Tractor, 2006 (260000001-260999999) ENGINE, MUFFLER AND PTO ASSEMBLY. Wählen Sie das benötigte Ersatzteil aus der Ersatzteilliste Ihres Toro Gerätes aus und bestellen Sie einfach online. Viele Toro Ersatzteile halten wir ständig in unserem Lager für Sie bereit.
| BildNr | Artikel Nummer | Bezeichnung | |
| 2 | TR106-5666 | Auspuff | |
| 3 | TR92-6780 | Mutter | |
| 4 | TR110-6697 | GASKET-EXHAUST | |
| 5 | TR | ||
| 7 | ![]() | TR3296-29 | Mutter |
| 9 | TR106-5813 | V-BELT, TRACTION | |
| 10 | TR322-13 | SCREW-HH | |
| 11 | TR106-5665 | PULLEY-ENGINE | |
| 12 | TR106-4099 | Kupplung | |
| 13 | TR3256-25 | Scheibe | |
| 14 | TR32121-9 | Stift | |
| 15 | TR107-9246 | DECAL | |




