Toro 72202 (430) - 430 Garden Tractor, 2005 (250000001-250999999) ENGINE, MUFFLER AND PTO ASSEMBLY Ersatzteile
ENGINE, MUFFLER AND PTO ASSEMBLY 72202 (430) - Toro 430 Garden Tractor, 2005 (250000001-250999999)

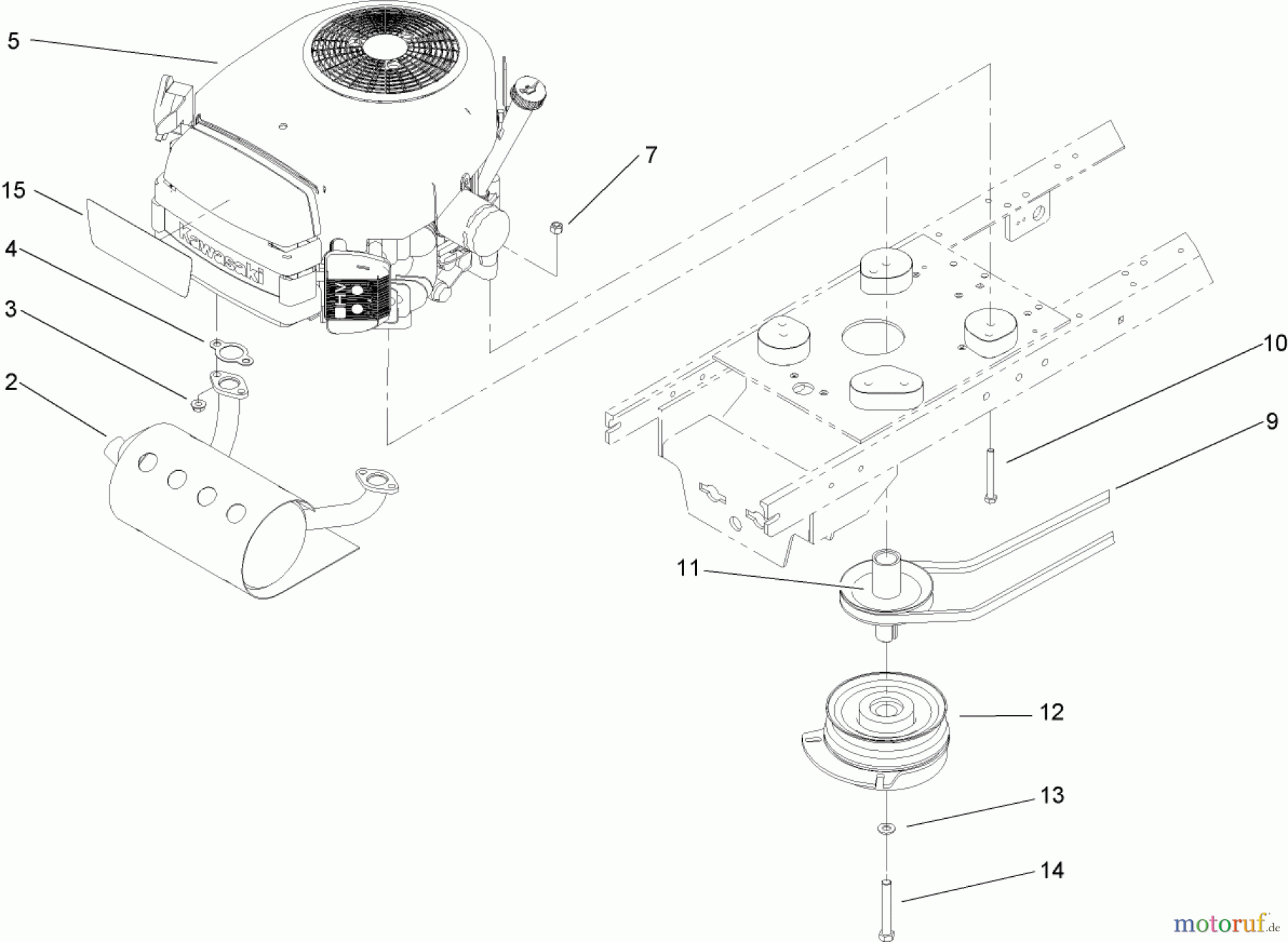
Hier finden Sie die Ersatzteilzeichnung für Toro Neu Mowers, Lawn & Garden Tractor Seite 1 72202 (430) - Toro 430 Garden Tractor, 2005 (250000001-250999999) ENGINE, MUFFLER AND PTO ASSEMBLY. Wählen Sie das benötigte Ersatzteil aus der Ersatzteilliste Ihres Toro Gerätes aus und bestellen Sie einfach online. Viele Toro Ersatzteile halten wir ständig in unserem Lager für Sie bereit.
| BildNr | Artikel Nummer | Bezeichnung | |
| 2 | TR106-5666 | Auspuff | |
| 3 | TR92-6780 | Mutter | |
| 4 | TR110-6697 | GASKET-EXHAUST | |
| 5 | TR | ||
| 7 | ![]() | TR3296-29 | Mutter |
| 9 | TR106-5813 | V-BELT, TRACTION | |
| 10 | TR322-13 | SCREW-HH | |
| 11 | TR106-5665 | PULLEY-ENGINE | |
| 12 | TR106-4099 | Kupplung | |
| 13 | TR3256-25 | Scheibe | |
| 14 | TR32121-9 | Stift | |
| 15 | TR107-9246 | DECAL | |


Qualitätsmanagement
Informieren Sie uns, wenn Sie einen Fehler gefunden haben.


