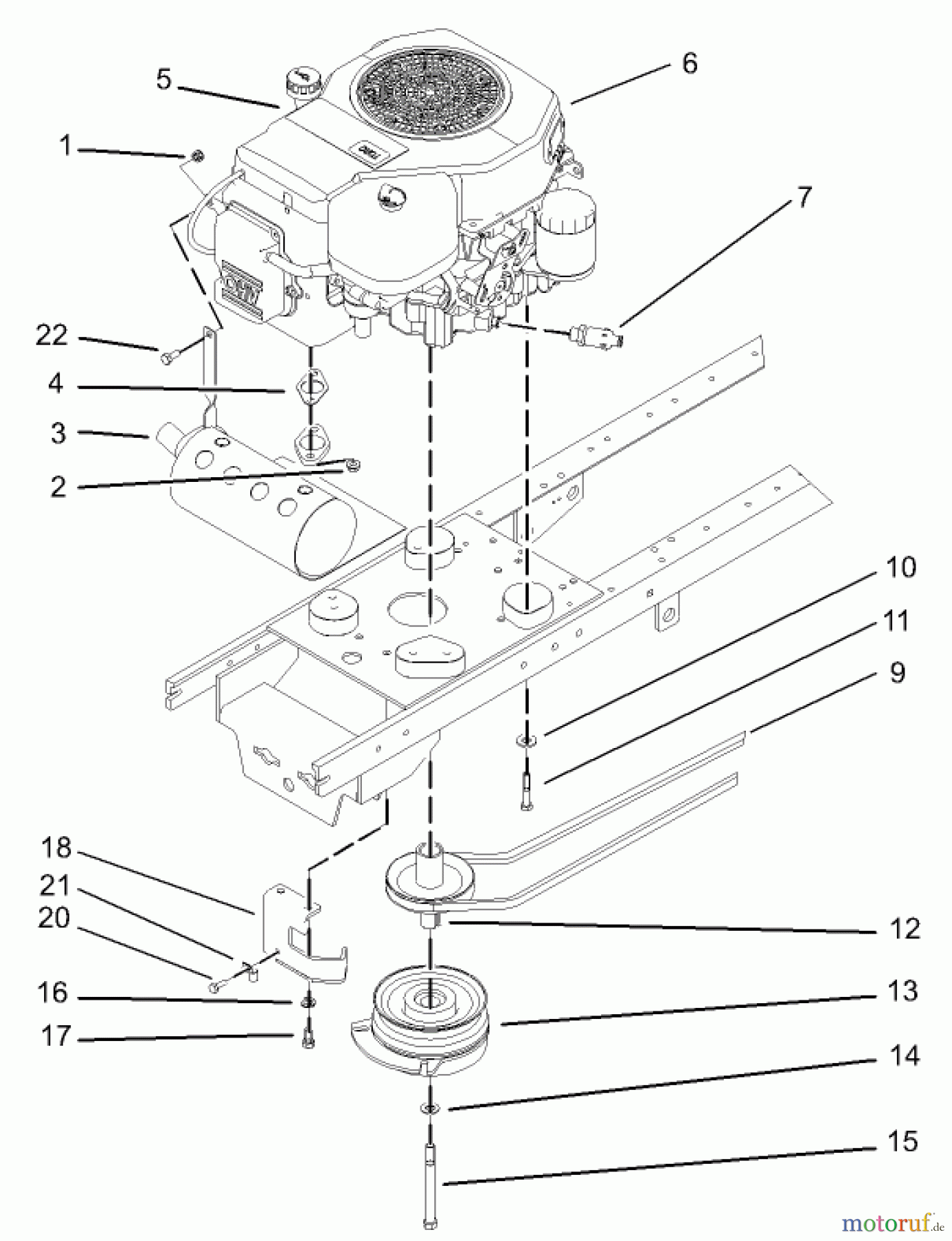
Toro 72200 (416XT) - 416XT Garden Tractor, 2003 (230000001-230999999) SINGLE CYLINDER ENGINE, MUFFLER AND PTO ASSEMBLY Ersatzteile
SINGLE CYLINDER ENGINE, MUFFLER AND PTO ASSEMBLY 72200 (416XT) - Toro 416XT Garden Tractor, 2003 (230000001-230999999)

Hier finden Sie die Ersatzteilzeichnung für Toro Neu Mowers, Lawn & Garden Tractor Seite 1 72200 (416XT) - Toro 416XT Garden Tractor, 2003 (230000001-230999999) SINGLE CYLINDER ENGINE, MUFFLER AND PTO ASSEMBLY. Wählen Sie das benötigte Ersatzteil aus der Ersatzteilliste Ihres Toro Gerätes aus und bestellen Sie einfach online. Viele Toro Ersatzteile halten wir ständig in unserem Lager für Sie bereit.




