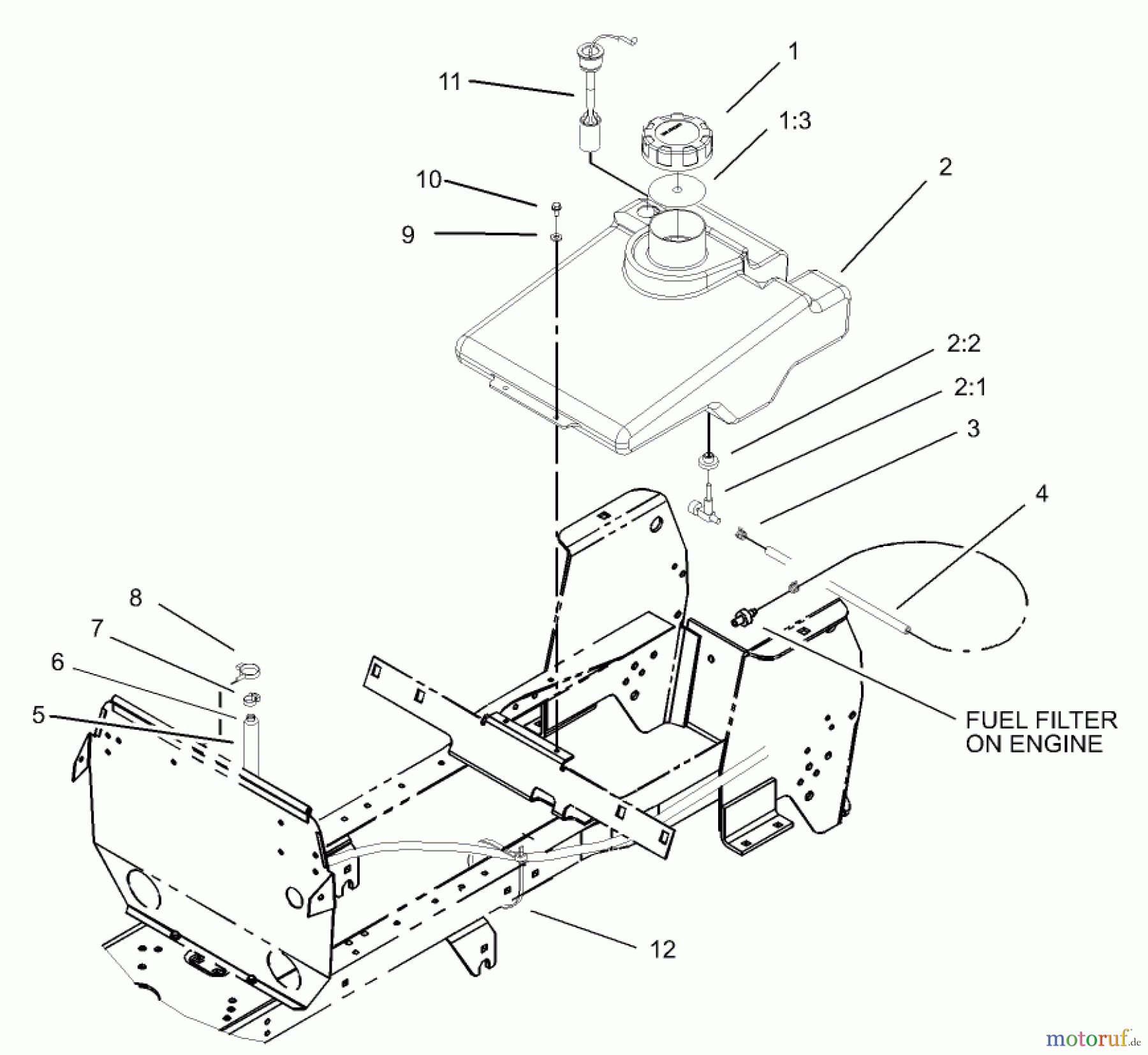
Toro 72116 (270-HE) - 270-HE Lawn and Garden Tractor, 2003 (230000001-230999999) FUEL TANK ASSEMBLY Ersatzteile
FUEL TANK ASSEMBLY 72116 (270-HE) - Toro 270-HE Lawn and Garden Tractor, 2003 (230000001-230999999)

Hier finden Sie die Ersatzteilzeichnung für Toro Neu Mowers, Lawn & Garden Tractor Seite 1 72116 (270-HE) - Toro 270-HE Lawn and Garden Tractor, 2003 (230000001-230999999) FUEL TANK ASSEMBLY. Wählen Sie das benötigte Ersatzteil aus der Ersatzteilliste Ihres Toro Gerätes aus und bestellen Sie einfach online. Viele Toro Ersatzteile halten wir ständig in unserem Lager für Sie bereit.



